Acondicionamiento e Instalaciones III

Todo
Apuntes
Exámenes
Prácticas
Test
Trabajos
chevron_left
chevron_right

apuntes

-

Temas resumidos AI3

Apuntes de clase, temas resumidos y esquemas para mejorar la comprensión del temario

Tema-1-resumen-Prestaciones-del-ambiente-interior.pdf
Tema-2-resumen-Balance-energetico.pdf
Tema-3-resumen-Ventilacion.pdf
Tema-4-resumen-Sistemas-Expansion-Directa.pdf
Resumen-general-IMPRESCINDIBLES-AI3.pdf
Tema-5-resumen-Sistemas-Hidronicos.pdf

He publicado nuevos apuntes de 4º Acondicionamiento e Instalaciones III: TEMARIO-COMPLETO-AI3.pdf

166 páginas

He publicado nuevos practicas de 4º Acondicionamiento e Instalaciones III: P4-SISTEMAS-PARTE-GRAFICA.pdf

12 páginas

He publicado nuevos practicas de 4º Acondicionamiento e Instalaciones III: MEMORIA-P4-SISTEMAS-AI3.pdf

67 páginas

He publicado nuevos practicas de 4º Acondicionamiento e Instalaciones III: MEMORIA-CALEFACCION-RESIDENCIAL.pdf

10 páginas

He publicado nuevos practicas de 4º Acondicionamiento e Instalaciones III: PRACTICA5AI3CALEFACCIONRESIDENCIAL251120251.pdf

4 páginas

He publicado nuevos apuntes de 4º Acondicionamiento e Instalaciones III: TEMARIO-COMPLETO-AI3.pdf

38 páginas

He publicado nuevos apuntes de 4º Acondicionamiento e Instalaciones III: VENTILACION-DE-GARAJE-Y-DIFUSION-Y-REDES.pdf

27 páginas

He publicado nuevos apuntes de 4º Acondicionamiento e Instalaciones III: PRACTICA-DISENO-EXPANSION-DIRECTA.pdf

10 páginas

He publicado nuevos apuntes de 4º Acondicionamiento e Instalaciones III: PRACTICA-DISENO-DE-SISTEMAS-HIDRONICOS.pdf

15 páginas

He publicado nuevos apuntes de 4º Acondicionamiento e Instalaciones III: PRACTICA-CALEFACCION.pdf

11 páginas

He publicado nuevos apuntes de 4º Acondicionamiento e Instalaciones III: ENTREGA-casi-FINAL-AI3.pdf

15 páginas
Anónimo

@Anónimo

test

-

Test 7

He publicado nuevos test de 4º Acondicionamiento e Instalaciones III: Test 7

Captura-de-pantalla-2024-12-01-210448.png
Captura-de-pantalla-2024-12-01-210517.png
Captura-de-pantalla-2024-12-01-210533.png
Captura-de-pantalla-2024-12-01-210551.png
Captura-de-pantalla-2024-12-01-210602.png
Captura-de-pantalla-2024-12-01-210612.png
Anónimo

@Anónimo

apuntes

-

Test 6

He publicado nuevos apuntes de 4º Acondicionamiento e Instalaciones III: Test 6

Captura-de-pantalla-2024-11-18-231330.png
Captura-de-pantalla-2024-11-18-231338.png
Captura-de-pantalla-2024-11-18-231348.png
Anónimo

@Anónimo

test

-

Test 5

He publicado nuevos test de 4º Acondicionamiento e Instalaciones III: Test 5

Captura-de-pantalla-2024-11-18-230216.png
Captura-de-pantalla-2024-11-18-230227.png
Captura-de-pantalla-2024-11-18-230234.png
Captura-de-pantalla-2024-11-18-230240.png
Anónimo

@Anónimo

test

-

Test 4

He publicado nuevos test de 4º Acondicionamiento e Instalaciones III: Test 4

Captura-de-pantalla-2024-11-11-213439.png
Captura-de-pantalla-2024-11-11-213445.png
Captura-de-pantalla-2024-11-11-213453.png
Captura-de-pantalla-2024-11-11-213500.png
Captura-de-pantalla-2024-11-11-213505.png
Captura-de-pantalla-2024-11-11-213510.png
Anónimo

@Anónimo

test

-

Test 3

He publicado nuevos test de 4º Acondicionamiento e Instalaciones III: Test 3

Captura-de-pantalla-2024-10-14-214440.png
Captura-de-pantalla-2024-10-14-214449.png
Captura-de-pantalla-2024-10-14-214454.png
Captura-de-pantalla-2024-10-14-214501.png
Captura-de-pantalla-2024-10-14-214506.png
Captura-de-pantalla-2024-10-14-214518.png
Anónimo

@Anónimo

apuntes

-

Test 2

He publicado nuevos apuntes de 4º Acondicionamiento e Instalaciones III: Test 2

1.png
2.png
3.png
4.png
Anónimo

@Anónimo

test

-

Test 1

He publicado nuevos test de 4º Acondicionamiento e Instalaciones III: Test 1

IMG9226.PNG
IMG9214.PNG
IMG9215.PNG
IMG9216.PNG
IMG9217.PNG
IMG9219.PNG
Anónimo

@Anónimo

He publicado nuevos apuntes de 4º Acondicionamiento e Instalaciones III: RESUMENES-TEMARIO-COMPLETO.pdf

33 páginas

He publicado nuevos practicas de 4º Acondicionamiento e Instalaciones III: PRACTICA-AI3-FINAL.pdf

27 páginas
Anónimo

@Anónimo

Grupo 4.07

4 páginas

practicas

-

PRÁCTICAS AI3

He publicado nuevos practicas de 4º Acondicionamiento e Instalaciones III: PRÁCTICAS AI3

T3-BALANCE-ENERGETICO.pdf
T2-ENVOLVENTE.pdf
T4SISTEMAS.pdf
T5CALEFACCION.pdf
T6DIFUSION.pdf

apuntes

-

APUNTES TEMARIO

He publicado nuevos apuntes de 4º Acondicionamiento e Instalaciones III: APUNTES TEMARIO

TEMA-1.-PRESTACIONES-DEL-AMBIENTE-INTERIOR.pdf
TEMA-2.-BALANCE-ENERGETICO.pdf
TEMA-3.-VENTILACION.pdf
TEMA-4.-SISTEMAS.pdf
TEMA-5.-HIDRONICO.pdf
TEMA-6.-EMISION-DE-CALOR.pdf

apuntes

-

Intalaciones 3 (AI3)

He publicado nuevos apuntes de 4º Acondicionamiento e Instalaciones III: Intalaciones 3 (AI3)

Apuntes2024.pdf

He publicado nuevos examenes de 4º Acondicionamiento e Instalaciones III: TIPO-TEST-RESUELTAS-Y-EXPLICADAS-AI3.pdf

5 páginas

He publicado nuevos apuntes de 4º Acondicionamiento e Instalaciones III: Resumenes-Instalaciones-III.pdf

21 páginas

He publicado nuevos practicas de 4º Acondicionamiento e Instalaciones III: CASO-DE-ESTUDIO.pdf

37 páginas

He publicado nuevos examenes de 4º Acondicionamiento e Instalaciones III: EXAMEN-PREPARATORIO-RESUELTO-EL-TIPO-TEST.pdf

2 páginas

He publicado nuevos examenes de 4º Acondicionamiento e Instalaciones III: EXAMEN-POR-CURSO-2023-2014.pdf

2 páginas

He publicado nuevos apuntes de 4º Acondicionamiento e Instalaciones III: Planificador-mensual.png

Imagen

He publicado nuevos apuntes de 4º Acondicionamiento e Instalaciones III: Planificador-semanal.png

Imagen

apuntes

-

Acondicionamiento e Instalaciones 3. Resumen Examen

He publicado nuevos apuntes de 4º Acondicionamiento e Instalaciones III: Acondicionamiento e Instalaciones 3. Resumen Examen

Acondicionamiento-e-Instalaciones-3.-Resumen-Examen.pdf

He publicado nuevos examenes de 4º Acondicionamiento e Instalaciones III: PREGUNTAS-TIPO-TEST-RESUELTAS-EXAMEN.pdf

35 páginas

practicas

-

Prácticas Instalaciones 3

He publicado nuevos practicas de 4º Acondicionamiento e Instalaciones III: Prácticas Instalaciones 3

TAREA-2.pdf
TAREA-3.pdf
TAREA-4.pdf
TAREA-5.pdf
TAREA-6.pdf

He publicado nuevos apuntes de 4º Acondicionamiento e Instalaciones III: AI3RESUMEN-TEMARIO-Y-MODELO-EXAMEN-SISTEMA-HIDRONICO.pdf

30 páginas

He publicado nuevos examenes de 4º Acondicionamiento e Instalaciones III: AI3-TIPO-TEST-JULIO-2023.pdf

1 página

He publicado nuevos examenes de 4º Acondicionamiento e Instalaciones III: AI3-TIPO-TEST-ENERO-2023.pdf

7 páginas

apuntes

-

resumenes

He publicado nuevos apuntes de 4º Acondicionamiento e Instalaciones III: resumenes

Tema-4-sistema-expansion.pdf
Tema-5-hidronico.pdf
Tema-7-a-redes-de-conductos.pdf
Tema7b-redes-conducto-hidronico.pdf
Tema-3.pdf

He publicado nuevos apuntes de 4º Acondicionamiento e Instalaciones III: AI3-T6.pdf

2 páginas

He publicado nuevos apuntes de 4º Acondicionamiento e Instalaciones III: AI3-T7-b.pdf

5 páginas

He publicado nuevos apuntes de 4º Acondicionamiento e Instalaciones III: AI3-T7-a.pdf

4 páginas

He publicado nuevos apuntes de 4º Acondicionamiento e Instalaciones III: AI3-T5-b.pdf

3 páginas

He publicado nuevos apuntes de 4º Acondicionamiento e Instalaciones III: AI3-T5-a.pdf

2 páginas

He publicado nuevos apuntes de 4º Acondicionamiento e Instalaciones III: AI3-T3.pdf

3 páginas

He publicado nuevos apuntes de 4º Acondicionamiento e Instalaciones III: AI3-T4.pdf

2 páginas

He publicado nuevos apuntes de 4º Acondicionamiento e Instalaciones III: AI3-T2.pdf

2 páginas

He publicado nuevos apuntes de 4º Acondicionamiento e Instalaciones III: AI3-T1.pdf

3 páginas

He publicado nuevos examenes de 4º Acondicionamiento e Instalaciones III: AI3-PREGUNTAS-TIPO-TEST.pdf

4 páginas

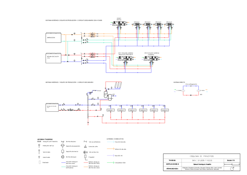
He publicado nuevos apuntes de 4º Acondicionamiento e Instalaciones III: Apuntes-Esquema de Principios-Valvuleria-Hidronico-BC-y-Caldera.pdf

1 página

He publicado nuevos examenes de 4º Acondicionamiento e Instalaciones III: Preguntas-Tipo-Test-CASI-TODAS-RESPONDIDAS.pdf

21 páginas

apuntes

-

Temario resumido

He publicado nuevos apuntes de 4º Acondicionamiento e Instalaciones III: Temario resumido

Apuntes-Tema-1-Ambiente-interior-confort-y-salud.pdf
Apuntes-Tema-2-Balance-Energetico.pdf
Apuntes-Tema-3-Ventilacion.pdf
Apuntes-Tema-4-Sistemas-de-Expansion-directa.pdf
Apuntes-Tema-5-Sistemas-hidronicos.pdf
Apuntes-Tema-5-Emision-de-calor-y-Componentes.pdf

He publicado nuevos apuntes de 4º Acondicionamiento e Instalaciones III: Tema-6-difusion-.pdf

3 páginas

He publicado nuevos apuntes de 4º Acondicionamiento e Instalaciones III: Tema-8-evaluacion-consumo.pdf

3 páginas

He publicado nuevos apuntes de 4º Acondicionamiento e Instalaciones III: Tema-3-garaje.pdf

7 páginas

He publicado nuevos apuntes de 4º Acondicionamiento e Instalaciones III: Tema-1.pdf

4 páginas

He publicado nuevos apuntes de 4º Acondicionamiento e Instalaciones III: Tema-2-AI3.pdf

3 páginas
Anónimo

@Anónimo

examenes

-

Exámenes convocatoria Ai3_2021

He publicado nuevos examenes de 4º Acondicionamiento e Instalaciones III: Exámenes convocatoria Ai3_2021

Examen-convocatoria-2021-02-04.pdf
Examen-convocatoria-2021-02-12-modelo-2.pdf
Examen-convocatoria-2021-02-12.pdf
Anónimo

@Anónimo

He publicado nuevos examenes de 4º Acondicionamiento e Instalaciones III: examen-Convocatoria-2021.pdf

2 páginas

apuntes

-

Apuntes de Ai3

Apuntes de aplicación para exámenes

TEMA-3.5-EXTRA.pdf
TEMA-04-EXP.-DIRECTA.pdf
TEMA-05-SIST.-HIDRONICOS.pdf
TEMA-06-SIST.-PRODUCCION-HIRONICOS.pdf
TEMA-07-DIFUSION-DE-AIRE.pdf
TEMA-09-REDES-DE-CONDUCTOS.pdf