Automatización y Control

chevron_left
chevron_right
Todo
Apuntes
Ejercicios
Exámenes
Otros
PEC
Prácticas
Test
Trabajos
chevron_left
chevron_right

Hola! Estos son apuntes de las prácticas de laboratorio, con los códigos para los GRAFCET y apuntes de cómo funciona Codesys. Suerte en el examen!

14 páginas

A document with examples of systems of second order. Starting from the equations of the system, we obtain the transfer function, and the block diagram using LaPlace transformation. The graphs and information is taken from a website of the lecturers of the

6 páginas

He publicado nuevos ejercicios de 2º Automatización y Control: ModeloMotorCC.pdf

8 páginas

He publicado nuevos ejercicios de 2º Automatización y Control: IMG5757.jpg

Imagen

He publicado nuevos apuntes de 2º Automatización y Control: Tabla-trasformadas-Laplace.pdf

1 página

examenes

-

PROBLEMAS PARCIAL

He publicado nuevos examenes de 2º Automatización y Control: PROBLEMAS PARCIAL

Coleccion-problemas-1.pdf
Ejercicio0.pdf
Ejercicios-1.pdf
Ejercicios-2.pdf
Ejercicios-3.pdf
Ejercicios-5.pdf

He publicado nuevos examenes de 1º Automatización y Control: Formulario-Control.pdf

2 páginas

He publicado nuevos examenes de 1º Automatización y Control: Formulario-Automatizacion.pdf

2 páginas
Anónimo

@Anónimo

He publicado nuevos pec de 1º Automatización y Control: PEC3_18_12_2025_parte_moodle.pdf

2 páginas
Anónimo

@Anónimo

He publicado nuevos pec de 1º Automatización y Control: PEC3_18_12_2025_parte_escrita.pdf

4 páginas

He publicado nuevos apuntes de 1º Automatización y Control: Resumen-tema-1-AyC.pdf

3 páginas

He publicado nuevos test de 1º Automatización y Control: Prueba-4-2025-Control-Basico-Revision-del-intento--MOODLE-UPM-OFICIALES-24-25.pdf

2 páginas
Anónimo

@Anónimo

pec

-

PEC 3 Control Avanzado 2025 (parte Simulink)

He publicado nuevos pec de 1º Automatización y Control: PEC 3 Control Avanzado 2025 (parte Simulink)

Miniatura no disponible
AyCPE3C2MODELOB.slx
PEC-3-Control-Avanzado-2025.pdf

diapositivas comentadas

34 páginas

He publicado nuevos ejercicios de 1º Automatización y Control: Ejercicios-Control-De-Procesos.pdf

2 páginas

He publicado nuevos apuntes de 1º Automatización y Control: Resumen-PEC-2.pdf

6 páginas

apuntes de control básico con anotaciones

57 páginas

Apuntes de modelado procesos con anotaciones

62 páginas

apuntes de modelado introducción con anotaciones

70 páginas

practica 2 parte Modelado con Anotaciones

12 páginas

apuntes

-

PARTE 2 - Control

He publicado nuevos apuntes de 1º Automatización y Control: PARTE 2 - Control

Resumen-PARTE-2-Control-Avanzado.pdf
Resumen-PARTE-2-Control-Basico.pdf

practicas

-

PARTE 2 - Control SIMULINK

He publicado nuevos practicas de 1º Automatización y Control: PARTE 2 - Control SIMULINK

Miniatura no disponible
FormulasPEC1.mlx
Miniatura no disponible
PLANTILLA-METODOS-CONTROL-BASICO.mlx
Miniatura no disponible
PLANTILLA.slx

apuntes

-

PARTE 1 - Automatización

He publicado nuevos apuntes de 1º Automatización y Control: PARTE 1 - Automatización

TUTORIA-AUTOMATIZACION-2024.pdf
Resumen-PARTE-1-Automatizacion.pdf

pec

-

PARTE 1 - Automatización

He publicado nuevos pec de 1º Automatización y Control: PARTE 1 - Automatización

Preguntas Tipo Test - RESUELTAS.pdf
Preguntas Tipo Test - RESUELTAS (2).pdf
Preguntas Tipo Test - RESUELTAS (3).pdf

He publicado nuevos apuntes de 1º Automatización y Control: resumen teoría PEC 2 - control básico.pdf

5 páginas
Anónimo

@Anónimo

He publicado nuevos examenes de 1º Automatización y Control: Cuestionario PEC 1 guía gemma nota 8,17.pdf

3 páginas
Anónimo

@Anónimo

Pregunta test PEC 6

Imagen
Anónimo

@Anónimo

Pregunta test PEC 5

Imagen
Anónimo

@Anónimo

Pregunta test PEC 4

Imagen
Anónimo

@Anónimo

Pregunta test PEC 3

Imagen
Anónimo

@Anónimo

Pregunta test PEC 2

Imagen
Anónimo

@Anónimo

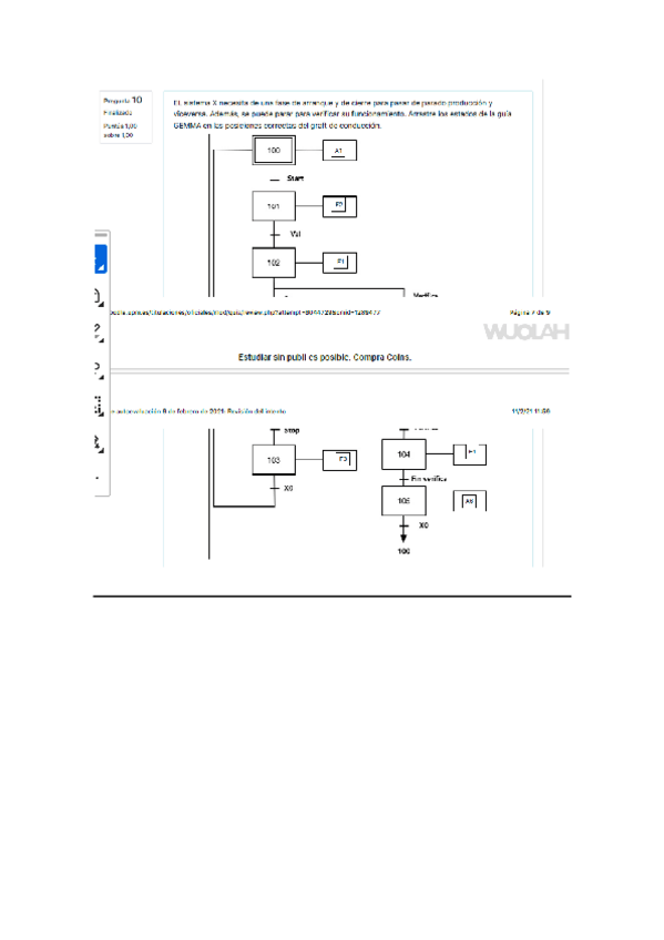
Pregunta test PEC 1: Pide S8 y S6

Imagen

He publicado nuevos ejercicios de 1º Automatización y Control: Ejercicio-Maquina-Clasificadora.pdf

3 páginas

He publicado nuevos apuntes de 1º Automatización y Control: Apuntes-Guia-Gemma.pdf

12 páginas

He publicado nuevos apuntes de 1º Automatización y Control: solucion-grafect.png

Imagen

He publicado nuevos apuntes de 1º Automatización y Control: solucion-grafect-mod.png

Imagen

He publicado nuevos apuntes de 1º Automatización y Control: solucion-cambio-produc.png

Imagen

He publicado nuevos apuntes de 1º Automatización y Control: graffet-de-la-parada-d-emergencia.png

Imagen

He publicado nuevos apuntes de 1º Automatización y Control: AyCpractica1con-anotaciones.pdf

21 páginas
Anónimo

@Anónimo

Ejercicios de clase y de la pizarra resueltos

10 páginas

ejercicios

-

Ejercicios

He publicado nuevos ejercicios de 1º Automatización y Control: Ejercicios

Calculo-de-salida-mediante-transformadas-de-Laplace.pdf
Control-anticipativo-del-reactor.pdf
Control-de-proporcion-de-un-mezclador-de-temperaturas.pdf
Dinamica-de-sistemas-de-segundo-orden.pdf
Dinamica-sistema-de-primer-orden.pdf
Ejercicio-Comparativa-deposito-modelo-f.d.pdf

apuntes

-

Cuestionarios

He publicado nuevos apuntes de 1º Automatización y Control: Cuestionarios

Cuestionario-diagrama-de-bloques-Revision-del-intento--MOODLE-UPM-OFICIALES-23-24.pdf
Cuestionario-repaso-temas-2-y-3-Revision-del-intento.pdf
Cuestionario-sobre-el-video-1.1-Introduccion-al-Contenido-de-la-Asignatura-Revision-del-intento--MOODLE-UPM-OFICIALES-23-24.pdf
Cuestionario-sobre-el-video-1.2-Introduccion-al-control-por-realimentacion-Revision-del-intento--MOODLE-UPM-OFICIALES-23-24.pdf
Cuestionario-tema-5-Revision-del-intento.pdf
Cuestionario-tema-6-Revision-del-intento--MOODLE-UPM-OFICIALES-23-24.pdf

He publicado nuevos apuntes de 1º Automatización y Control: Formulario-PEC.pdf

2 páginas

examenes

-

Exámenes

He publicado nuevos examenes de 1º Automatización y Control: Exámenes

examenAyC20171221solucion.pdf

ejercicios

-

Control Practice

He publicado nuevos ejercicios de 1º Automatización y Control: Control Practice

Control-Practice-1.pdf
Control-Practice-2.pdf
Control-Practice-3.pdf
P1.pdf
P1sol.pdf
P2.pdf

apuntes

-

Apuntes clase

He publicado nuevos apuntes de 1º Automatización y Control: Apuntes clase

1Introduction.pdf
2SystemModels.pdf
3BRC.pdf
4Advancedv2.pdf
Diagrama-de-bloques.pdf
tema51sequentialcontrol.pdf

He publicado nuevos apuntes de 1º Automatización y Control: AyCPEC1-GRAFCET-casos-y-teoria.pdf

7 páginas

He publicado nuevos apuntes de 1º Automatización y Control: AyCPEC2-MODELADO.pdf

1 página

He publicado nuevos apuntes de 2º Automatización y Control

Miniatura no disponible
https://bancodeapuntesepigijon.blogspot.com/

He publicado nuevos apuntes de 3º Automatización y Control

Miniatura no disponible
https://bancodeapuntesepigijon.blogspot.com/

He publicado nuevos apuntes de 2º Automatización y Control

Miniatura no disponible
https://bancodeapuntesepigijon.blogspot.com/

He publicado nuevos apuntes de 2º Automatización y Control

Miniatura no disponible
https://bancodeapuntesepigijon.blogspot.com/

practicas

-

Practice Sessions. Control Systems Automation

He publicado nuevos practicas de 1º Automatización y Control: Practice Sessions. Control Systems Automation

Practica-1-Automatizacion.pdf
Practica-2-Automatizacion.pdf
Practica-3-Automatizacion.pdf
Resumen-Guia-Practicas-Automatizacion.pdf

Las tres prácticas de Simulink de la asignatura con anotaciones

18 páginas

Canales de distribuciòn

19 páginas

Anàlisis de la situaciòn actual

9 páginas

He publicado nuevos practicas de 1º Automatización y Control: Practice-Session-3.pdf

9 páginas

He publicado nuevos practicas de 1º Automatización y Control: Practice-Session-2.pdf

7 páginas

apuntes

-

EXAMENES AyC 2024 (Inglés) con solución

He publicado nuevos apuntes de 1º Automatización y Control: EXAMENES AyC 2024 (Inglés) con solución

AyCPE2023Asol.pdf
AyCPEGAenero2024sol.pdf
AyCGE2024Asol.pdf
AyCJuly2024Asol.pdf

He publicado nuevos practicas de 1º Automatización y Control: Practice-Session-1.pdf

7 páginas