Todo
Apuntes
Ejercicios
Exámenes
PEC
Prácticas
Trabajos
chevron_left
chevron_right

He publicado nuevos ejercicios de 1º Automatización y Control: Ejercicios-Control-De-Procesos.pdf

2 páginas

He publicado nuevos apuntes de 1º Automatización y Control: Resumen-PEC-2.pdf

6 páginas

apuntes de control básico con anotaciones

57 páginas

Apuntes de modelado procesos con anotaciones

62 páginas

apuntes de modelado introducción con anotaciones

70 páginas

practica 2 parte Modelado con Anotaciones

12 páginas

apuntes

-

PARTE 2 - Control

He publicado nuevos apuntes de 1º Automatización y Control: PARTE 2 - Control

Resumen-PARTE-2-Control-Avanzado.pdf
Resumen-PARTE-2-Control-Basico.pdf

practicas

-

PARTE 2 - Control SIMULINK

He publicado nuevos practicas de 1º Automatización y Control: PARTE 2 - Control SIMULINK

Miniatura no disponible
FormulasPEC1.mlx
Miniatura no disponible
PLANTILLA-METODOS-CONTROL-BASICO.mlx
Miniatura no disponible
PLANTILLA.slx

apuntes

-

PARTE 1 - Automatización

He publicado nuevos apuntes de 1º Automatización y Control: PARTE 1 - Automatización

TUTORIA-AUTOMATIZACION-2024.pdf
Resumen-PARTE-1-Automatizacion.pdf

pec

-

PARTE 1 - Automatización

He publicado nuevos pec de 1º Automatización y Control: PARTE 1 - Automatización

Preguntas Tipo Test - RESUELTAS.pdf
Preguntas Tipo Test - RESUELTAS (2).pdf
Preguntas Tipo Test - RESUELTAS (3).pdf

He publicado nuevos apuntes de 1º Automatización y Control: resumen teoría PEC 2 - control básico.pdf

5 páginas
Anónimo

@Anónimo

He publicado nuevos examenes de 1º Automatización y Control: Cuestionario PEC 1 guía gemma nota 8,17.pdf

3 páginas
Anónimo

@Anónimo

Pregunta test PEC 6

Imagen
Anónimo

@Anónimo

Pregunta test PEC 4

Imagen
Anónimo

@Anónimo

Pregunta test PEC 5

Imagen
Anónimo

@Anónimo

Pregunta test PEC 3

Imagen
Anónimo

@Anónimo

Pregunta test PEC 2

Imagen
Anónimo

@Anónimo

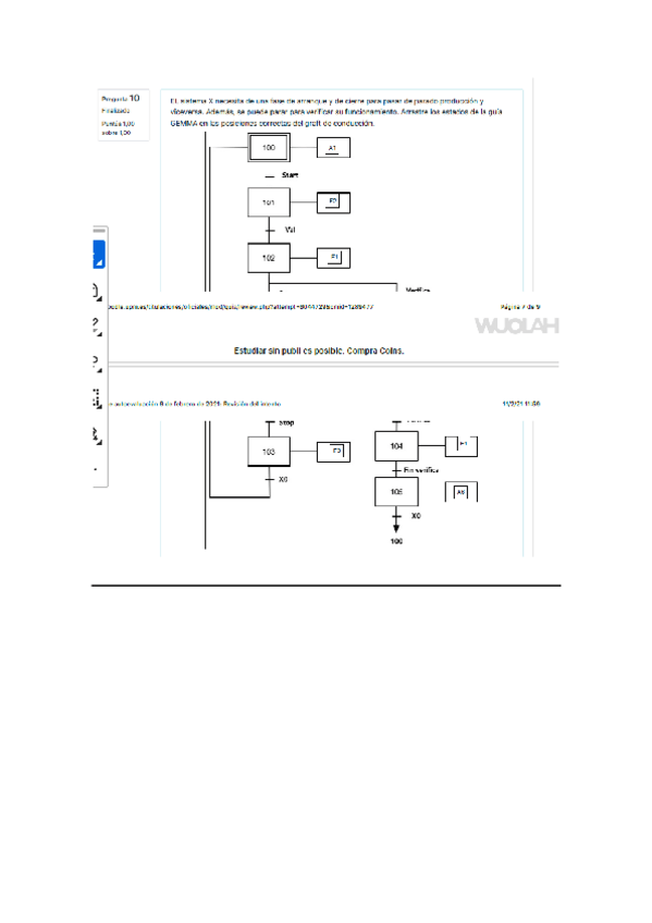
Pregunta test PEC 1: Pide S8 y S6

Imagen

He publicado nuevos ejercicios de 1º Automatización y Control: Ejercicio-Maquina-Clasificadora.pdf

3 páginas

He publicado nuevos apuntes de 1º Automatización y Control: Apuntes-Guia-Gemma.pdf

12 páginas

He publicado nuevos apuntes de 1º Automatización y Control: solucion-grafect.png

Imagen

He publicado nuevos apuntes de 1º Automatización y Control: solucion-grafect-mod.png

Imagen

He publicado nuevos apuntes de 1º Automatización y Control: solucion-cambio-produc.png

Imagen

He publicado nuevos apuntes de 1º Automatización y Control: graffet-de-la-parada-d-emergencia.png

Imagen

He publicado nuevos apuntes de 1º Automatización y Control: AyCpractica1con-anotaciones.pdf

21 páginas

ejercicios

-

Ejercicios

He publicado nuevos ejercicios de 1º Automatización y Control: Ejercicios

Calculo-de-salida-mediante-transformadas-de-Laplace.pdf
Control-anticipativo-del-reactor.pdf
Control-de-proporcion-de-un-mezclador-de-temperaturas.pdf
Dinamica-de-sistemas-de-segundo-orden.pdf
Dinamica-sistema-de-primer-orden.pdf
Ejercicio-Comparativa-deposito-modelo-f.d.pdf

apuntes

-

Cuestionarios

He publicado nuevos apuntes de 1º Automatización y Control: Cuestionarios

Cuestionario-diagrama-de-bloques-Revision-del-intento--MOODLE-UPM-OFICIALES-23-24.pdf
Cuestionario-repaso-temas-2-y-3-Revision-del-intento.pdf
Cuestionario-sobre-el-video-1.1-Introduccion-al-Contenido-de-la-Asignatura-Revision-del-intento--MOODLE-UPM-OFICIALES-23-24.pdf
Cuestionario-sobre-el-video-1.2-Introduccion-al-control-por-realimentacion-Revision-del-intento--MOODLE-UPM-OFICIALES-23-24.pdf
Cuestionario-tema-5-Revision-del-intento.pdf
Cuestionario-tema-6-Revision-del-intento--MOODLE-UPM-OFICIALES-23-24.pdf

He publicado nuevos apuntes de 1º Automatización y Control: Formulario-PEC.pdf

2 páginas

examenes

-

Exámenes

He publicado nuevos examenes de 1º Automatización y Control: Exámenes

examenAyC20171221solucion.pdf

ejercicios

-

Control Practice

He publicado nuevos ejercicios de 1º Automatización y Control: Control Practice

Control-Practice-1.pdf
Control-Practice-2.pdf
Control-Practice-3.pdf
P1.pdf
P1sol.pdf
P2.pdf

apuntes

-

Apuntes clase

He publicado nuevos apuntes de 1º Automatización y Control: Apuntes clase

1Introduction.pdf
2SystemModels.pdf
3BRC.pdf
4Advancedv2.pdf
Diagrama-de-bloques.pdf
tema51sequentialcontrol.pdf

He publicado nuevos apuntes de 1º Automatización y Control: AyCPEC1-GRAFCET-casos-y-teoria.pdf

7 páginas

He publicado nuevos apuntes de 1º Automatización y Control: AyCPEC2-MODELADO.pdf

1 página

practicas

-

Practice Sessions. Control Systems Automation

He publicado nuevos practicas de 1º Automatización y Control: Practice Sessions. Control Systems Automation

Practica-1-Automatizacion.pdf
Practica-2-Automatizacion.pdf
Practica-3-Automatizacion.pdf
Resumen-Guia-Practicas-Automatizacion.pdf

Las tres prácticas de Simulink de la asignatura con anotaciones

18 páginas

Canales de distribuciòn

19 páginas

Anàlisis de la situaciòn actual

9 páginas

He publicado nuevos practicas de 1º Automatización y Control: Practice-Session-3.pdf

9 páginas

He publicado nuevos practicas de 1º Automatización y Control: Practice-Session-2.pdf

7 páginas

apuntes

-

EXAMENES AyC 2024 (Inglés) con solución

He publicado nuevos apuntes de 1º Automatización y Control: EXAMENES AyC 2024 (Inglés) con solución

AyCPE2023Asol.pdf
AyCPEGAenero2024sol.pdf
AyCGE2024Asol.pdf
AyCJuly2024Asol.pdf

He publicado nuevos practicas de 1º Automatización y Control: Practice-Session-1.pdf

7 páginas
Anónimo

@Anónimo

He publicado nuevos apuntes de 1º Automatización y Control: Pec3Taladradora.pdf

10 páginas

He publicado nuevos apuntes de 1º Automatización y Control: Pec3-Maquina-embotelladora.pdf

11 páginas

He publicado nuevos practicas de 1º Automatización y Control: Practicas.pdf

14 páginas

He publicado nuevos apuntes de 1º Automatización y Control: T1AyC.pdf

11 páginas

He publicado nuevos apuntes de 1º Automatización y Control: Automatizacion-Octubre-2024.pdf

7 páginas

He publicado nuevos examenes de 1º Automatización y Control: Examen PEC 3 Resuelto - Modelo B.pdf

2 páginas

He publicado nuevos examenes de 1º Automatización y Control: Examen PEC 3 Resuelto - Modelo A.pdf

2 páginas

He publicado nuevos practicas de 1º Automatización y Control: Tarea 4 - Automatizacion secuencial - Resuelta.pdf

7 páginas

He publicado nuevos practicas de 1º Automatización y Control: Tarea 3 - Control avanzado 2 - Resuelta.pdf

8 páginas

He publicado nuevos practicas de 1º Automatización y Control: Tarea 1 - Modelado de procesos - Resuelta.pdf

4 páginas

He publicado nuevos practicas de 1º Automatización y Control: Tarea 2 - Control avanzado 1 - Resuelta.pdf

8 páginas

He publicado nuevos apuntes de 1º Automatización y Control: Resumen PEC 3 - Sistemas neumaticos y Grafcet.pdf

2 páginas

He publicado nuevos apuntes de 1º Automatización y Control: Resumen PEC 2 - Control basico y avanzado.pdf

11 páginas

He publicado nuevos apuntes de 1º Automatización y Control: Resumen-AyC-T1-5.pdf

12 páginas

pec

-

AyC_Pruebas_clase_M4_23_24

He publicado nuevos pec de 1º Automatización y Control: AyC_Pruebas_clase_M4_23_24

2023-pruebaClase5-modeloB-solucion.pdf
AyC-PruebaClase-3-A-solucion.docx
AyC-PruebaClase-3-B-solucion.docx
AyC-PruebaClase-3-C-solucion.docx
AyC-PruebaClase-3-D-solucion.docx
Prueba1-AyB-10octubre2023-solucion.pdf

pec

-

AyC_PECS_23_24

He publicado nuevos pec de 1º Automatización y Control: AyC_PECS_23_24

AyCPE-3-Mod4v2.pdf
AyCPE1Aoctubre2023solucion.docx
AyCPE1Boctubre2023solucion.docx
AyCPE1Coctubre2023solucion.docx
AyCPE1Doctubre2023solucion.docx
Miniatura no disponible
AyCPE2Cuest2ModeloA2324Solucion.slx

ejercicios

-

AyC_Ejcs_clase_M4_23_24

He publicado nuevos ejercicios de 1º Automatización y Control: AyC_Ejcs_clase_M4_23_24

Ejemplo1-ControlCascada.pdf
PracticaAyCresolucion.pdf
PracticaModeladoenunciado.pdf

apuntes

-

AyC_Apuntes_comentados_M4_23_24

He publicado nuevos apuntes de 1º Automatización y Control: AyC_Apuntes_comentados_M4_23_24

CAP-12023Introduccion.pdf
CAP-1Ejercicio-1-depositoSimple.pdf
CAP-1Ejercicio-2-depositoDoble.pdf
CAP-2Ejercicio-TanqueTermico.pdf
CAP-2Modelado.pdf
CAP-3ControlBASICO.pdf

He publicado nuevos apuntes de 1º Automatización y Control: Teoria-Control.pdf

26 páginas