Control Industrial y Automatización

Todo
Apuntes
Ejercicios
Exámenes
Prácticas
Trabajos
chevron_left
chevron_right
Anónimo

@Anónimo

examenes

-

Examenes cia automatizacion con solucion

He publicado nuevos examenes de 2º Control Industrial y Automatización: Examenes cia automatizacion con solucion

ExercicisRegulacioca-1.pdf
SolucionsExercicisRegulacioca-1.pdf
EjerciciosRegulacionResueltos3V2-4.pdf
Anónimo

@Anónimo

examenes

-

Ejercicios con solucion automatizacion

He publicado nuevos examenes de 2º Control Industrial y Automatización: Ejercicios con solucion automatizacion

SolucioPersianaV4-7.pdf
SolExdistribuidorPiezas-3.pdf
MaquinaTallarTubs.pdf
MaquinaFerForatsGrafcetiKOP-1.pdf
MaquinaFerForatsConnexionat-1.pdf
MaquinaEnvasadoraEtiquetadora.pdf

Apuntes para preparar el primer examen de CIA

7 páginas

cia - entregable 5

1 página

cia - entregable 11

2 páginas

cia - entregable 10

2 páginas

cia - entregable 8

3 páginas

cia - entregable 9

2 páginas

He publicado nuevos apuntes de 2º Control Industrial y Automatización: PROJECTE-I-ANNEX-CIA.pdf

30 páginas

Projecte fi de quadrimestre

13 páginas

He publicado nuevos ejercicios de 2º Control Industrial y Automatización: Ex.7-Part-2.-Cia-GarciaJoan-FiteGerard-M1.pdf

3 páginas

He publicado nuevos ejercicios de 2º Control Industrial y Automatización: exersici-Gerard-Fite-CIA.docx

word

apuntes

-

Apuntes

He publicado nuevos apuntes de 2º Control Industrial y Automatización: Apuntes

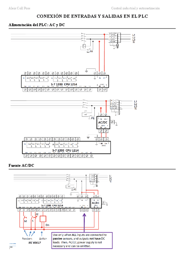
CONEXION-DE-ENTRADAS-Y-SALIDAS-EN-EL-PLC.pdf
GRAFCET.pdf
PLC-Fundamentos-y-programacion.pdf
Sensores-y-actuadores.pdf
VARIADORES-DE-FRECUENCIA.pdf

He publicado nuevos apuntes de 2º Control Industrial y Automatización: Bloque-Automatizacion.pdf

25 páginas

He publicado nuevos trabajos de 2º Control Industrial y Automatización: Projecte-CIA-entrega-definitiva.pdf

50 páginas

He publicado nuevos trabajos de 2º Control Industrial y Automatización: Projecte--Annex-CIA.pdf

27 páginas

He publicado nuevos apuntes de 2º Control Industrial y Automatización: Formulario-FINAL-CIA.pdf

2 páginas

practicas

-

Prácticas CIA

He publicado nuevos practicas de 2º Control Industrial y Automatización: Prácticas CIA

P1-CIA.pdf
P2CIA.pdf
P3-CIA.pdf
P4-CIA.pdf
P5-No-presencial.pdf
P6-CIA.pdf

ejercicios

-

Ejercicios Entregables CIA

He publicado nuevos ejercicios de 2º Control Industrial y Automatización: Ejercicios Entregables CIA

CIA-Entregable-11.pdf

He publicado nuevos apuntes de 2º Control Industrial y Automatización: Apuntes-Examen-Practicas-CIA.pdf

9 páginas

He publicado nuevos trabajos de 2º Control Industrial y Automatización: ProyectoCIAFINAL.pdf

44 páginas

practicas

-

Prácticas CIA MEDIA DE 10

Una tiene más de un 10 xd.

CIAP1.pdf
CIAP2.pdf
CIAP3.pdf
CIAP4.pdf
CIAP5NP.pdf
CIAP5.pdf

He publicado nuevos apuntes de 2º Control Industrial y Automatización: Control-Industrial-y-Automatizacion-Apuntes-ejercicios-y-examenes.pdf

35 páginas

He publicado nuevos examenes de 2º Control Industrial y Automatización: 1r parcial 2022/2023.pdf

4 páginas

He publicado nuevos trabajos de 2º Control Industrial y Automatización: Proyecto-CIASergioRomeroMiquelMoixDanielRamirez.pdf

34 páginas

He publicado nuevos practicas de 2º Control Industrial y Automatización: pràctica 5 (NP).pdf

6 páginas

examenes

-

Parcials Anys Anteriors

He publicado nuevos examenes de 2º Control Industrial y Automatización: Parcials Anys Anteriors

ExamenPersianacatala.pdf
SolucioPersianaV3.pdf

practicas

-

Practiques 4 i 5 CIA

He publicado nuevos practicas de 2º Control Industrial y Automatización: Practiques 4 i 5 CIA

P4-CIA.pdf
P5-CIA.pdf

He publicado nuevos apuntes de 2º Control Industrial y Automatización: formulario-parcial.pdf

2 páginas
Anónimo

@Anónimo

apuntes

-

PROJECTE

He publicado nuevos apuntes de 2º Control Industrial y Automatización: PROJECTE

Coordinacion-de-GRAFCETs-Part2.pdf
Exemple-de-Bon-Projecte-2.pdf
Exemple-de-bon-projecte.pdf
GoodProjectExample-3.pdf
ExTroqueladoraMotores.pdf
GRAFCET-Coordination-Part1.pdf

apuntes

-

Entregables

He publicado nuevos apuntes de 2º Control Industrial y Automatización: Entregables

Control-automatico-de-temperatura-de-un-sistema-calefactor.pdf
Maquina-cinta.pdf
Sistema-Horno.pdf

He publicado nuevos apuntes de 2º Control Industrial y Automatización: Exmezcladorapintura.pdf

2 páginas

He publicado nuevos apuntes de 2º Control Industrial y Automatización: ExmezcladorapinturaSolucion.pdf

2 páginas

He publicado nuevos apuntes de 2º Control Industrial y Automatización: AUTOMATITZACION-PROCESO-FABRICACION-MOTOR-ELECTRICO.pdf

57 páginas

He publicado nuevos apuntes de 2º Control Industrial y Automatización: Parcial-2Control-Industrial.pdf

4 páginas

He publicado nuevos apuntes de 2º Control Industrial y Automatización: Treball.pdf

3 páginas

He publicado nuevos apuntes de 2º Control Industrial y Automatización: Practica-5.pdf

8 páginas

He publicado nuevos apuntes de 2º Control Industrial y Automatización: ex-1.pdf

2 páginas

He publicado nuevos apuntes de 2º Control Industrial y Automatización: Ejercicio2.MaquinaCafe.pdf

5 páginas

He publicado nuevos apuntes de 2º Control Industrial y Automatización: TEMA-3-FOTOS.pdf

13 páginas

ejercicios

-

TEMA 3 EXERCICIS

He publicado nuevos ejercicios de 2º Control Industrial y Automatización: TEMA 3 EXERCICIS

CR-Exercise-31-V2.pdf
CR-Exercise-32-BlockDiag-V4.pdf
CR-Exercise-32-Transfer-Functions-V1.pdf
CR-Exercise-33-V2-AC-inverters.pdf
CR-Exercise-34-V1-Compensation-ZeroPole.pdf
Exercicis-de-regulacio-v6-1.pdf

He publicado nuevos apuntes de 2º Control Industrial y Automatización: FOTOS-DE-CLASE.pdf

33 páginas

trabajos

-

TRABAJOS DE CIA

He publicado nuevos trabajos de 2º Control Industrial y Automatización: TRABAJOS DE CIA

Copia-de-Produccio-industrial-dacid-formic.pdf
FINALJABIRIARIASBERNAUSQUESADA.pdf
Produccio-industrial-dacid-formic.pdf
PROJCIIA22.pdf
PROJCIIA22FINAL-Recuperado.pdf
PROJCIIAMECANICA.pdf
Anónimo

@Anónimo

He publicado nuevos ejercicios de 2º Control Industrial y Automatización: Exercicisetmana1.pdf

5 páginas

He publicado nuevos apuntes de 2º Control Industrial y Automatización: ENTREGA-12.pdf

7 páginas

He publicado nuevos apuntes de 2º Control Industrial y Automatización: ENTREGA-10.pdf

7 páginas

He publicado nuevos apuntes de 2º Control Industrial y Automatización: ENTREGA-11.pdf

3 páginas

He publicado nuevos apuntes de 2º Control Industrial y Automatización: Exercici-3-Cia-Part-2.pdf

3 páginas

He publicado nuevos apuntes de 2º Control Industrial y Automatización: Cia-exercici-2-part-2-assignatura.pdf

3 páginas

He publicado nuevos apuntes de 2º Control Industrial y Automatización: Cia-exercici-1-part-2-assignatura.pdf

4 páginas

He publicado nuevos ejercicios de 2º Control Industrial y Automatización: ENTREGA-7.pdf

4 páginas

He publicado nuevos apuntes de 2º Control Industrial y Automatización: PARCIAL-1-CIA.pdf

2 páginas

He publicado nuevos apuntes de 2º Control Industrial y Automatización: SegundoparcialCIAenunciado.pdf

3 páginas

He publicado nuevos apuntes de 2º Control Industrial y Automatización: PARCIAL-2-PDF.pdf

3 páginas

He publicado nuevos ejercicios de 2º Control Industrial y Automatización: Exercici1Puertametroword.pdf

2 páginas

He publicado nuevos apuntes de 2º Control Industrial y Automatización: PROYECTO-CIA.pdf

36 páginas

He publicado nuevos apuntes de 2º Control Industrial y Automatización: FORMULARIO-P2.pdf

2 páginas

He publicado nuevos apuntes de 2º Control Industrial y Automatización: APUNTES-CLASE-P2.pdf

14 páginas

apuntes

-

APUNTES Y EJERCICIOS RESUELTOS P1

He publicado nuevos apuntes de 2º Control Industrial y Automatización: APUNTES Y EJERCICIOS RESUELTOS P1

KOP-TEORIA-v5.pdf
KOP-GestioAturadesv2.pdf
GRAFCET-EstatsMarxaAturadav2.pdf
GRAFCET-EjemplomaquinaCortadoradeTuboV2.pdf
GRAFCET-Exercicis-de-GRAFCETv1.pdf
GRAFCET-THE-PROBLEM-WITH-BOOLEAN-ALGEBRA-WITH-RELAYS-revJDP.pdf

practicas

-

PRACTICAS CIA OTOÑO 2022

He publicado nuevos practicas de 2º Control Industrial y Automatización: PRACTICAS CIA OTOÑO 2022

PRACTICA-5.pdf
PRACTICA-4.pdf
PRACTICA-1.pdf
PRACTICA-2.pdf
PRACTICA-5-NO-PRESENCIAL.pdf