Instalaciones Electroneumáticas
Todo
Exámenes
chevron_left
chevron_right
examenes
-
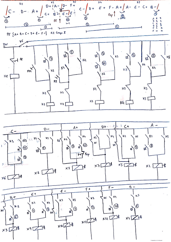
EXÁMENES RESUELTOS
He publicado nuevos examenes de 4º Instalaciones Electroneumáticas: EXÁMENES RESUELTOS
¡Estás al día!
Has visto todos los archivos
examenes
-
EXÁMENES RESUELTOS
He publicado nuevos examenes de 4º Instalaciones Electroneumáticas: EXÁMENES RESUELTOS
¡Estás al día!
Has visto todos los archivos