chevron_left
chevron_right
Todo
Apuntes
Preguntas
Ejercicios
Exámenes
Trabajos
chevron_left
chevron_right

DOCUMENTO CON RECOPILACION DE TODAS LAS PREGUNTAS DE EXAMEN HASTA LA FECHA, ÁDEMAS DE UN POCO DE TEORÍA BÁSICA.

65 páginas
Anónimo

@Anónimo

examenes

-

EXAMEN JUNIO 2020 + SOLUCIONES

He publicado nuevos examenes de 3º Neumatica y Oleohidraulica: EXAMEN JUNIO 2020 + SOLUCIONES

EXAMEN-JUNIO-2020-E1-con-marca-de-agua-con-marca-de-agua.pdf
EXAMEN-JUNIO-2020-Enunciado-con-marca-de-agua-con-marca-de-agua.pdf
Anónimo

@Anónimo

examenes

-

EXAMEN SEPTIEMBRE 2012 RESUELTO

He publicado nuevos examenes de 3º Neumatica y Oleohidraulica: EXAMEN SEPTIEMBRE 2012 RESUELTO

EXAMEN-SEPTIEMBRE-2012-RESUELTO-2.pdf
EXAMEN-SEPTIEMBRE-2012.pdf
EXAMEN-SEPTIEMBRE-2012-RESUELTO-1.pdf

He publicado nuevos apuntes de 3º Neumatica y Oleohidraulica: SIMBOLOGIA.pdf

17 páginas
Anónimo

@Anónimo

He publicado nuevos apuntes de 3º Neumatica y Oleohidraulica: RESUMEN-PLC.png

Imagen

ejercicios

-

EJERCICIOS PLC + SOLUCIONES

He publicado nuevos ejercicios de 3º Neumatica y Oleohidraulica: EJERCICIOS PLC + SOLUCIONES

EJERCICIOS-PLC-CON-SOLUCIONES.pdf
SOLUCIONES-EJERCICIOS-PLC-2.pdf
SOLUCIONES-EJERCICIOS-PLC-1.pdf

He publicado nuevos ejercicios de 3º Neumatica y Oleohidraulica: EJERCICIO-CALCULO-DIAMETRO-INSTALCIONENUNCIADO.pdf

1 página

He publicado nuevos ejercicios de 3º Neumatica y Oleohidraulica: EJERCICIO-CALCULAR-PERDIDA-DE-CARGAENUNCIADO.pdf

1 página

ejercicios

-

CIRCUITOS ELECTRONEUMATICOS DE 1 CDE

He publicado nuevos ejercicios de 3º Neumatica y Oleohidraulica: CIRCUITOS ELECTRONEUMATICOS DE 1 CDE

CIRCUITO-ELECTRONEUMATICO-1-CILINDRO-AA-MARCHAPARO--PLC.pdf
CIRCUITO-ELECTRONEUMATICO-1-CILINDRO--MARCHAPARO--PLC-I.pdf
CIRCUITO-ELECTRONEUMATICO-1-CILINDRO--PLC.pdf
CIRCUITO-ELECTRONEUMATICO-1-CILINDRO--2-pulsadores.pdf
CIRCUITO-ELECTRONEUMATICO-1-CILINDRO-.pdf
CIRCUITO-ELECTRONEUMATICO-1-CILINDRO--MARCHAPARO--PLC-II.pdf

ejercicios

-

CIRCUITOS NEUMATICOS DE 3 CILINDROS

He publicado nuevos ejercicios de 3º Neumatica y Oleohidraulica: CIRCUITOS NEUMATICOS DE 3 CILINDROS

3-CILINDRO-DOBLE-EFECTO-ABCA-B-C-BIESTABLES.pdf
3-CILINDRO-DOBLE-EFECTO-ABCA-B-C-CASCADA.pdf
3-CILINDRO-DOBLE-EFECTO-ABB-CC-A-.pdf
3-CILINDRO-DOBLE-EFECTO-AA-BB-CC-.pdf
3-CILINDRO-DOBLE-EFECTO-ABCA-B-C-II.pdf
3-CILINDRO-DOBLE-EFECTO-ABCC-A-B-.pdf

ejercicios

-

CIRCUITOS NEUMATICOS DE 2 CILINDROS

He publicado nuevos ejercicios de 3º Neumatica y Oleohidraulica: CIRCUITOS NEUMATICOS DE 2 CILINDROS

2-CILINDRO-DOBLE-EFECTO-ABB-A-.pdf
2-CILINDRO-DOBLE-EFECTO-ABA-B-V42--finales-carrera-V32-.pdf
2-CILINDRO-DOBLE-EFECTO-AA-BB-CASCADA.pdf
2-CILINDRO-DOBLE-EFECTO-AA-BB-MARCHAPARO--EMERGENCIA.pdf

ejercicios

-

CIRCUITOS NEUMATICOS DE 1 CILINDRO

He publicado nuevos ejercicios de 3º Neumatica y Oleohidraulica: CIRCUITOS NEUMATICOS DE 1 CILINDRO

CILINDRO-SIMPLE-EFECTO--V32.png
CILINDRO-DOBLE-EFECTO--V42-y-2xV32.png
CILINDRO-DOBLE-EFECTO--2xV32-y-CONTROL-VELOCIDAD.png
CILINDRO-DOBLE-EFECTO--2xV32.png

IMPORTNTE

Lo digo en todas las asignaturas pero por si acaso, lo digo tambien en esta: no le preguntéis a los profesores sobre cosas que están aquí y no en el aula virtual. Es de sentido común xd

examenes

-

preguntas de examen

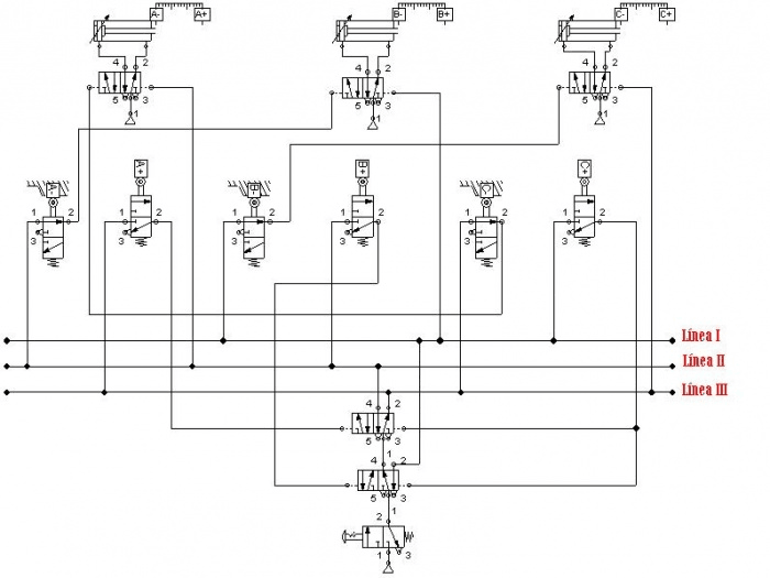
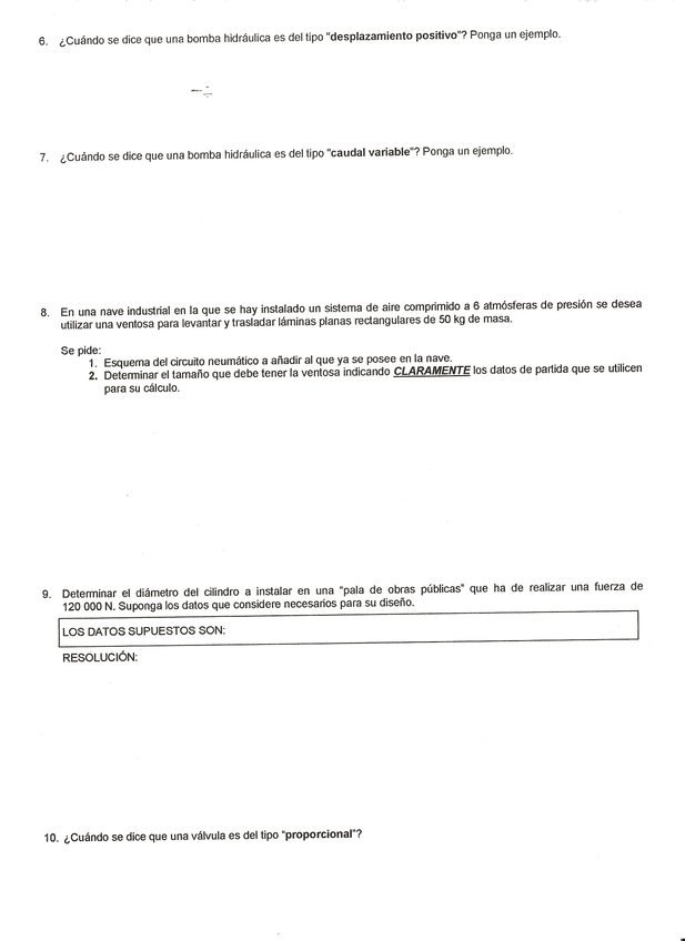
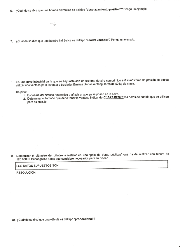
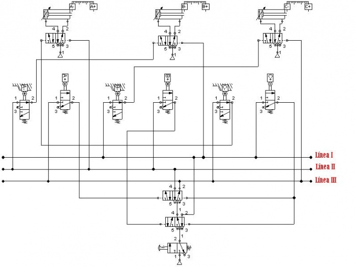
He publicado nuevos examenes de 3º Neumatica y Oleohidraulica: preguntas de examen

neum 006.jpg
neum 007.jpg
neum 008.jpg
neumatica.JPG
Posterior 2.JPG
Posterior 3.JPG

examenes

-

preguntas de examen

He publicado nuevos examenes de 3º Neumatica y Oleohidraulica: preguntas de examen

91HW8PJyN8BEfg6bJ3ND1Hg2.jpg
2012 PAG 1.jpg
2012 PAG 2.jpg
2012 PAG 3.jpg
2012 PAG 4.jpg
2013 PAG 1.JPG

examenes

-

preguntas de examen

He publicado nuevos examenes de 3º Neumatica y Oleohidraulica: preguntas de examen

IMG-20160902-WA0003.jpg
IMG-20160902-WA0004.jpg
neum 001.jpg
neum 002.jpg
neum 003.jpg
neum 004.jpg

examenes

-

preguntas de examen

He publicado nuevos examenes de 3º Neumatica y Oleohidraulica: preguntas de examen

2013 PAG 3.JPG
2013 PAG 4.JPG
Ejercicio 8.JPG
escanear0006.jpg
escanear0007.jpg
escanear0008.jpg

trabajos

-

trabajo final 2017

He publicado nuevos trabajos de 3º Neumatica y Oleohidraulica: trabajo final 2017

Miniatura no disponible
trabajo global.rar
Miniatura no disponible
trabajo global.rar
¡Estás al día!

¡Estás al día!

Has visto todos los archivos