Todo
Apuntes
Ejercicios
Exámenes
Prácticas
Trabajos
chevron_left
chevron_right

ARCHIVO CON TODO LO NECESARIO PARA APROBAR LA ASIGNATURA: PREGUNTAS TEORICAS, CIRCUITOS, EJERCICIOS.

65 páginas
Anónimo

@Anónimo

ejercicios

-

EJERCICIOS PLC + SOLUCIONES

He publicado nuevos ejercicios de 4º Neumatica y Oleohidraulica: EJERCICIOS PLC + SOLUCIONES

EJERCICIOS-PLC-CON-SOLUCIONES.pdf
SOLUCIONES-EJERCICIOS-PLC-1.pdf
SOLUCIONES-EJERCICIOS-PLC-2.pdf

ejercicios

-

CIRCUITOS ELECTRONEUMATICOS 1 CILINDRO

He publicado nuevos ejercicios de 4º Neumatica y Oleohidraulica: CIRCUITOS ELECTRONEUMATICOS 1 CILINDRO

CIRCUITO-ELECTRONEUMATICO-1-CILINDRO--MARCHAPARO--PLC-II.pdf
CIRCUITO-ELECTRONEUMATICO-1-CILINDRO-.pdf
CIRCUITO-ELECTRONEUMATICO-1-CILINDRO-AA-MARCHAPARO--PLC.pdf
CIRCUITO-ELECTRONEUMATICO-1-CILINDRO--PLC.pdf
CIRCUITO-ELECTRONEUMATICO-1-CILINDRO--MARCHAPARO--PLC-I.pdf
CIRCUITO-ELECTRONEUMATICO-1-CILINDRO--2-pulsadores.pdf

ejercicios

-

CIRCUITOS NEUMATICOS DE 3 CILINDROS

He publicado nuevos ejercicios de 4º Neumatica y Oleohidraulica: CIRCUITOS NEUMATICOS DE 3 CILINDROS

3-CILINDRO-DOBLE-EFECTO-ABB-CA-C--MARCHAPARO--EMERGENCIA-.pdf
3-CILINDRO-DOBLE-EFECTO-AA-BB-CC-.pdf
3-CILINDRO-DOBLE-EFECTO-ABB-A-CC-.pdf
3-CILINDRO-DOBLE-EFECTO-ABB-CC-A-.pdf
3-CILINDRO-DOBLE-EFECTO-ABCA-B-C-CASCADA.pdf
3-CILINDRO-DOBLE-EFECTO-ABCA-B-C-BIESTABLES.pdf

ejercicios

-

CIRCUITOS NEUMATICOS DE 2 CILINDROS

He publicado nuevos ejercicios de 4º Neumatica y Oleohidraulica: CIRCUITOS NEUMATICOS DE 2 CILINDROS

2-CILINDRO-DOBLE-EFECTO-AA-BB-CASCADA.pdf
2-CILINDRO-DOBLE-EFECTO-AA-BB-MARCHAPARO--EMERGENCIA.pdf
2-CILINDRO-DOBLE-EFECTO-ABA-B-V42--finales-carrera-V32-.pdf
2-CILINDRO-DOBLE-EFECTO-ABB-A-.pdf

ejercicios

-

CIRCUITOS NEUMATICOS DE 1 CILINDRO

He publicado nuevos ejercicios de 4º Neumatica y Oleohidraulica: CIRCUITOS NEUMATICOS DE 1 CILINDRO

CILINDRO-SIMPLE-EFECTO--V32.png
CILINDRO-DOBLE-EFECTO--2xV32-y-CONTROL-VELOCIDAD.png
CILINDRO-DOBLE-EFECTO--V42-y-2xV32.png
CILINDRO-DOBLE-EFECTO--2xV32.png

examenes

-

EXAMEN JUNIO 2020 + SOLUCIONES

He publicado nuevos examenes de 4º Neumatica y Oleohidraulica: EXAMEN JUNIO 2020 + SOLUCIONES

EXAMEN-JUNIO-2020-Enunciado-con-marca-de-agua-con-marca-de-agua.pdf
EXAMEN-JUNIO-2020-E1-con-marca-de-agua-con-marca-de-agua.pdf
Anónimo

@Anónimo

apuntes

-

apuntes varios

He publicado nuevos apuntes de 4º Neumatica y Oleohidraulica: apuntes varios

APUNTES-DE-INTERCAMBIADORES-DE-CALOR.pdf
APUNTES-CIRCUITOS-EN-CASCADA.pdf
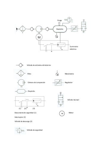
APUNTES-AIRE-PRESION-Y-LEYES.pdf
APUNTES-DE-ACTUADORES-HIDRAULICOS.pdf
APUNTES-DE-DISTRIBUIDORES.pdf
APUNTES-DE-BOMBAS-HIDRAULICAS-MOTORES.pdf

He publicado nuevos apuntes de 4º Neumatica y Oleohidraulica: APUNTES-BOMBAS-DE-PALETAS.pdf

4 páginas

ARCHIVO CON TODAS LAS PREGUNTAS RESUELTAS HASTA EL MOMENTO, ADEMAS DE CONTENER TEORÍA BASICA Y OTROS APUNTES.

65 páginas

examenes

-

EXAMEN JUNIO 2020 + SOLUCIONES

He publicado nuevos examenes de 4º Neumatica y Oleohidraulica: EXAMEN JUNIO 2020 + SOLUCIONES

EXAMEN-JUNIO-2020-Enunciado-con-marca-de-agua-con-marca-de-agua.pdf
EXAMEN-JUNIO-2020-E1-con-marca-de-agua-con-marca-de-agua.pdf
Anónimo

@Anónimo

He publicado nuevos examenes de 4º Neumatica y Oleohidraulica: EXAMEN-JUNIO-2017-RESUELTO.pdf

10 páginas
Anónimo

@Anónimo

He publicado nuevos examenes de 4º Neumatica y Oleohidraulica: EXAMEN-JUNIO-2013-RESUELTO.pdf

8 páginas
Anónimo

@Anónimo

examenes

-

EXAMEN SEP 2012 RESUELTO

He publicado nuevos examenes de 4º Neumatica y Oleohidraulica: EXAMEN SEP 2012 RESUELTO

EXAMEN-SEPTIEMBRE-2012.pdf
EXAMEN-SEPTIEMBRE-2012-RESUELTO-2.pdf
EXAMEN-SEPTIEMBRE-2012-RESUELTO-1.pdf
Anónimo

@Anónimo

examenes

-

EXAMEN SEP 2010 RESUELTO

He publicado nuevos examenes de 4º Neumatica y Oleohidraulica: EXAMEN SEP 2010 RESUELTO

EXAMEN-SEPTIEMBRE-2010-RESUELTO-2.pdf
EXAMEN-SEPTIEMBRE-2010-RESUELTO-1.pdf
Anónimo

@Anónimo

examenes

-

examenes de neumatica

He publicado nuevos examenes de 4º Neumatica y Oleohidraulica: examenes de neumatica

EXAMENES-NEUMATICA-1.pdf
EXAMENES-NEUMATICA-2.pdf
Anónimo

@Anónimo

He publicado nuevos apuntes de 4º Neumatica y Oleohidraulica: PROBLEMAS-Y-EJERCICIOS-DE-EXAMEN.pdf

4 páginas
Anónimo

@Anónimo

He publicado nuevos apuntes de 4º Neumatica y Oleohidraulica: EJERCICIOS-RESUELTOS-Y-APUNTES-VARIOS.pdf

22 páginas
Anónimo

@Anónimo

ejercicios

-

EJERCICIOS PLC + SOLUCIONES

He publicado nuevos ejercicios de 4º Neumatica y Oleohidraulica: EJERCICIOS PLC + SOLUCIONES

SOLUCIONES-EJERCICIOS-PLC-1.pdf
EJERCICIOS-PLC-CON-SOLUCIONES.pdf
SOLUCIONES-EJERCICIOS-PLC-2.pdf
Anónimo

@Anónimo

He publicado nuevos ejercicios de 4º Neumatica y Oleohidraulica: EJERCICIO-CALCULO-DIAMETRO-INSTALCIONENUNCIADO.pdf

1 página
Anónimo

@Anónimo

He publicado nuevos ejercicios de 4º Neumatica y Oleohidraulica: EJERCICIO-CALCULO-DE-LOS-ELEMENTOS-DE-UNA-BOMBA.pdf

4 páginas
Anónimo

@Anónimo

He publicado nuevos ejercicios de 4º Neumatica y Oleohidraulica: EJERCICIO-CALCULAR-PERDIDA-DE-CARGAENUNCIADO.pdf

1 página

ejercicios

-

CIRCUITOS ELECTRONEUMATICOS 1 CILINDRO

He publicado nuevos ejercicios de 4º Neumatica y Oleohidraulica: CIRCUITOS ELECTRONEUMATICOS 1 CILINDRO

CIRCUITO-ELECTRONEUMATICO-1-CILINDRO-.pdf
CIRCUITO-ELECTRONEUMATICO-1-CILINDRO--MARCHAPARO--PLC-II.pdf
CIRCUITO-ELECTRONEUMATICO-1-CILINDRO-AA-MARCHAPARO--PLC.pdf
CIRCUITO-ELECTRONEUMATICO-1-CILINDRO--2-pulsadores.pdf
CIRCUITO-ELECTRONEUMATICO-1-CILINDRO--PLC.pdf
CIRCUITO-ELECTRONEUMATICO-1-CILINDRO--MARCHAPARO--PLC-I.pdf

ejercicios

-

CIRCUITOS NEUMATICOS DE 3 CILINDROS

He publicado nuevos ejercicios de 4º Neumatica y Oleohidraulica: CIRCUITOS NEUMATICOS DE 3 CILINDROS

3-CILINDRO-DOBLE-EFECTO-ABB-CA-C--MARCHAPARO--EMERGENCIA-.pdf
3-CILINDRO-DOBLE-EFECTO-ABB-A-CC-.pdf
3-CILINDRO-DOBLE-EFECTO-ABCA-B-C-BIESTABLES.pdf
3-CILINDRO-DOBLE-EFECTO-ABCA-B-C-CASCADA.pdf
3-CILINDRO-DOBLE-EFECTO-AA-BB-CC-.pdf
3-CILINDRO-DOBLE-EFECTO-ABB-CC-A-.pdf

ejercicios

-

CIRCUITOS NEUMATICOS DE 2 CILINDROS

He publicado nuevos ejercicios de 4º Neumatica y Oleohidraulica: CIRCUITOS NEUMATICOS DE 2 CILINDROS

2-CILINDRO-DOBLE-EFECTO-AA-BB-CASCADA.pdf
2-CILINDRO-DOBLE-EFECTO-ABA-B-V42--finales-carrera-V32-.pdf
2-CILINDRO-DOBLE-EFECTO-ABB-A-.pdf
2-CILINDRO-DOBLE-EFECTO-AA-BB-MARCHAPARO--EMERGENCIA.pdf

ejercicios

-

CIRCUITOS NEUMATICOS DE 1 CILINDRO

He publicado nuevos ejercicios de 4º Neumatica y Oleohidraulica: CIRCUITOS NEUMATICOS DE 1 CILINDRO

CILINDRO-DOBLE-EFECTO--2xV32.png
CILINDRO-DOBLE-EFECTO--V42-y-2xV32.png
CILINDRO-DOBLE-EFECTO--2xV32-y-CONTROL-VELOCIDAD.png
CILINDRO-SIMPLE-EFECTO--V32.png
Anónimo

@Anónimo

practicas

-

P20 - control con PLC

He publicado nuevos practicas de 4º Neumatica y Oleohidraulica: P20 - control con PLC

Practica-20-Control-de-Circuitos-neumaticos-con-PLC.pdf
Circuito-plc.pdf
fotos.zip
PROGRAMABIS.zip
Anónimo

@Anónimo

practicas

-

P10 y 11 - control electroneumatico

He publicado nuevos practicas de 4º Neumatica y Oleohidraulica: P10 y 11 - control electroneumatico

CIRCUITO-COMPUESTO-POR-UNA-VALVULA-5.pdf
Circuitos.pdf
Archivos-programa.zip
Practica-10-y-11-Componentes-para-el-control-electroneumatico.pdf
Anónimo

@Anónimo

He publicado nuevos practicas de 4º Neumatica y Oleohidraulica: Practica-8-Constitucion-y-caracteristicas-de-una-bomba.pdf

7 páginas
Anónimo

@Anónimo

practicas

-

P7 y 9: sistema 3 cilindros

He publicado nuevos practicas de 4º Neumatica y Oleohidraulica: P7 y 9: sistema 3 cilindros

Archivos-programa.zip
Practica-7-y-9-Sistema-Automatico-con-Tres-Cilindros.pdf
Anónimo

@Anónimo

He publicado nuevos practicas de 4º Neumatica y Oleohidraulica: Practica-4-Circuito-de-Mando-de-un-Cilindro.pdf

9 páginas
Anónimo

@Anónimo

He publicado nuevos practicas de 4º Neumatica y Oleohidraulica: Practica-3-unidades-de-mantenimiento.pdf

5 páginas
Anónimo

@Anónimo

He publicado nuevos practicas de 4º Neumatica y Oleohidraulica: Practica-2-compresor-edificio.pdf

5 páginas
Anónimo

@Anónimo

practicas

-

PRACTICA 1

He publicado nuevos practicas de 4º Neumatica y Oleohidraulica: PRACTICA 1

Esquema-compresor.jpg
Practica-1-memoria.pdf
FOTOS-COMPRESOR-DEL-LABORATORIO.zip
Esquema-electrico-de-compresor.pdf
informe-final-practica-1-neumatica.pdf
neumatica-p1-esquema-simb.pdf
Anónimo

@Anónimo

He publicado nuevos trabajos de 4º Neumatica y Oleohidraulica: TRABAJO-3-ALIMENTACION-DE-UNA-PRENSA.pdf

43 páginas
Anónimo

@Anónimo

He publicado nuevos trabajos de 4º Neumatica y Oleohidraulica: TRABAJO-2-MAQUINA-EMBOTELLADORA.pdf

13 páginas

ejercicios

-

TAREAS INDIVIDUALES

He publicado nuevos ejercicios de 4º Neumatica y Oleohidraulica: TAREAS INDIVIDUALES

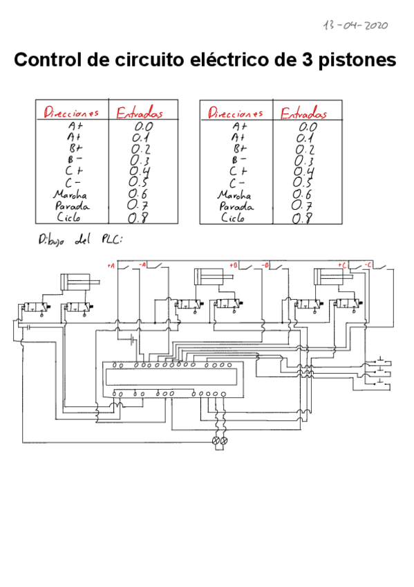
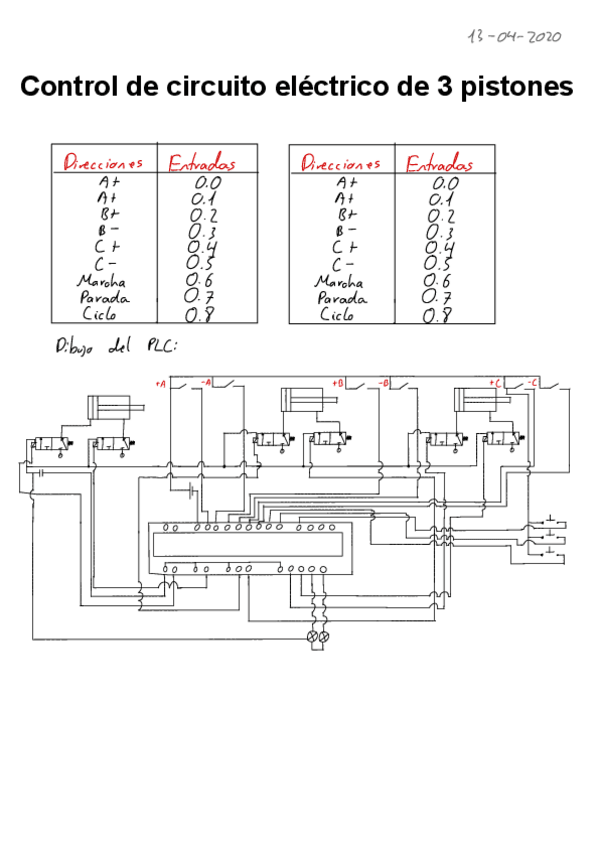
tarea04052020-EJERCICIO-18-PLC-RESUELTO.pdf
TAREA-VENTAJAS-E-INCOVENIENTES.pdf
tarea30032020.pdf
Nacimiento-de-la-neumatica-y-la-Oleohidraulica.pdf
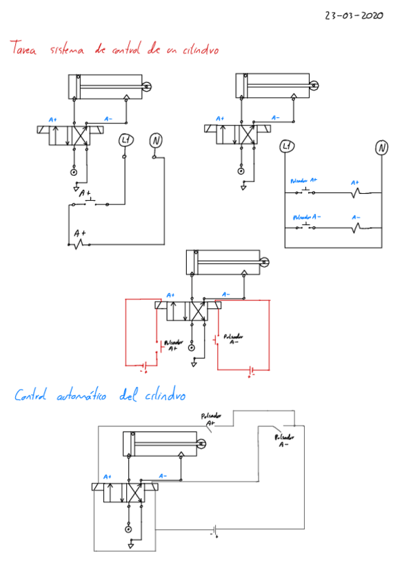
tarea23032020.pdf
¡Estás al día!

¡Estás al día!

Has visto todos los archivos