Simulación y Control de Procesos

Todo
Apuntes
Exámenes
Prácticas
chevron_left
chevron_right

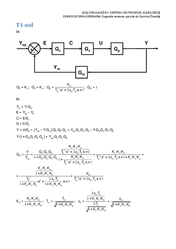
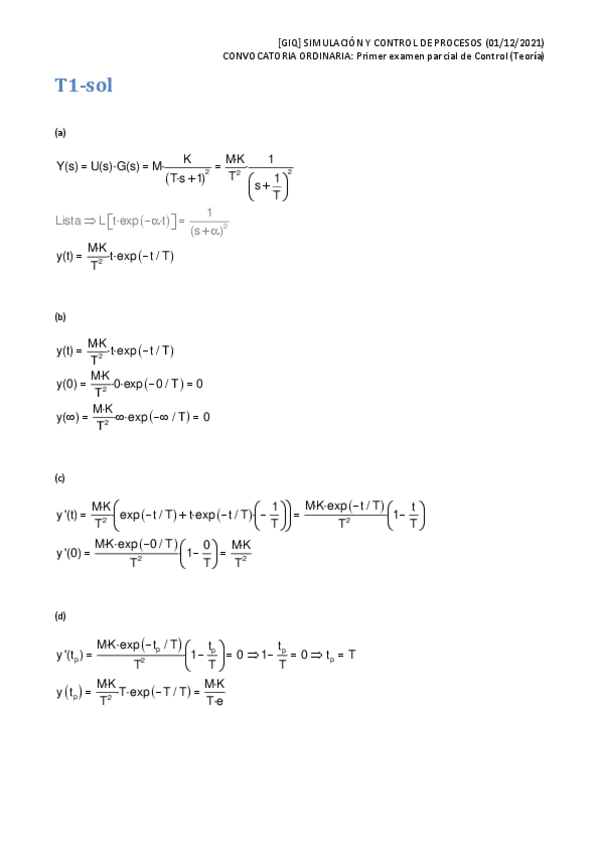
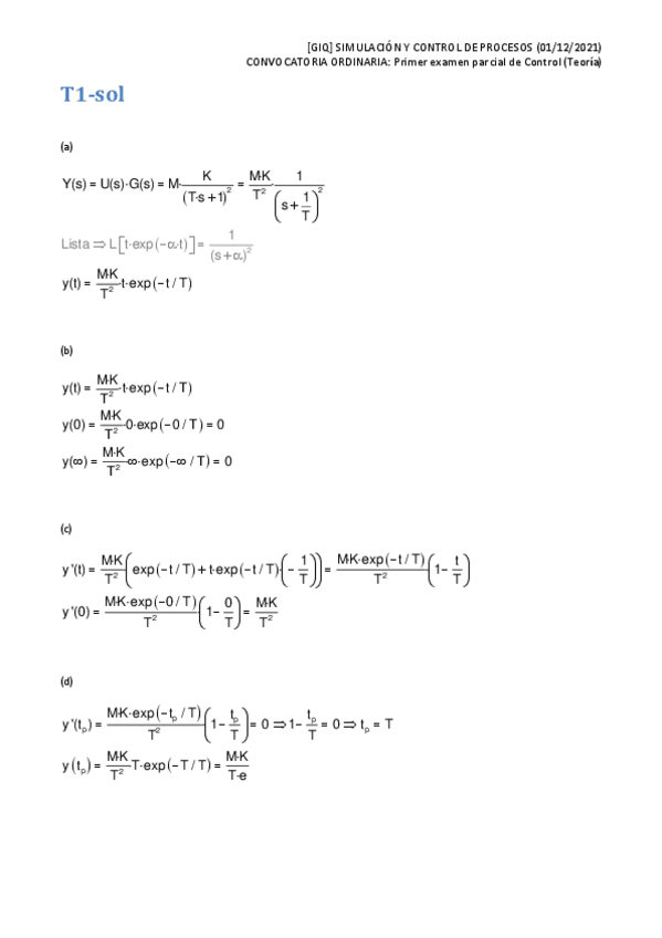
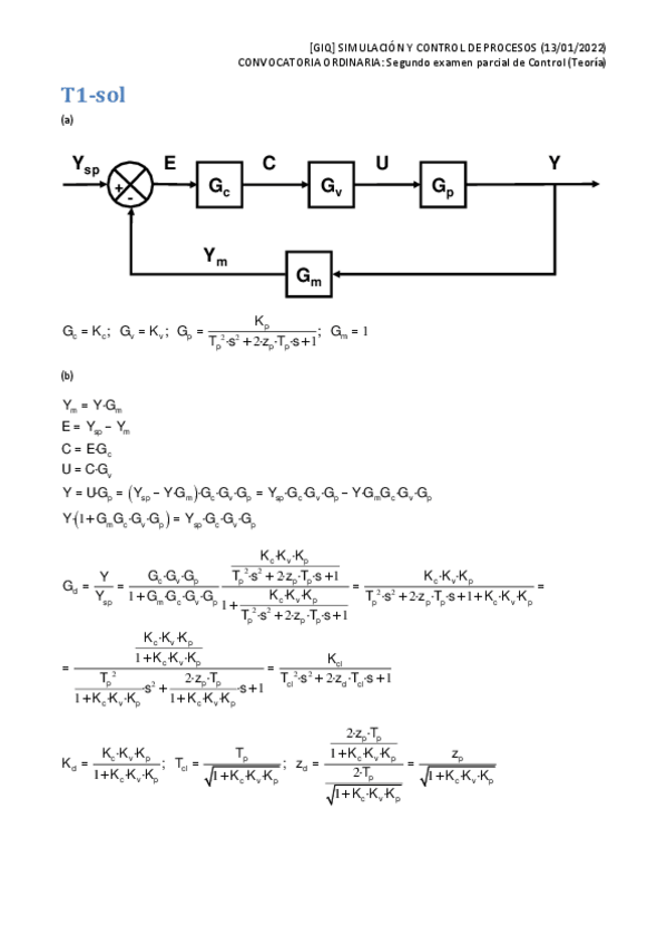
He publicado nuevos apuntes de 4º Simulación y Control de Procesos: T-sol.pdf

6 páginas

He publicado nuevos apuntes de 4º Simulación y Control de Procesos: 2025-11-28-P1.sce

Miniatura no disponible

He publicado nuevos apuntes de 4º Simulación y Control de Procesos: Formulario-Control.pdf

4 páginas

apuntes

-

Teoría Control

He publicado nuevos apuntes de 4º Simulación y Control de Procesos: Teoría Control

Tema-1-Control.pdf
Tema-2-Control.pdf
Tema-3-Control.pdf
Tema-4-Control.pdf
Tema-5-y-6-Control.pdf

He publicado nuevos examenes de 4º Simulación y Control de Procesos: Ordinaria-Control-2025.pdf

5 páginas

He publicado nuevos examenes de 4º Simulación y Control de Procesos: Examen-extraordinaria-2025.pdf

5 páginas

He publicado nuevos apuntes de 4º Simulación y Control de Procesos: Examen-de-simulacion-y-control-2024.pdf

2 páginas
Anónimo

@Anónimo

apuntes

-

Formulario Examen Todos los temas

He publicado nuevos apuntes de 4º Simulación y Control de Procesos: Formulario Examen Todos los temas

Formulario-Examen-Control-Todos-los-temas.pdf
Anónimo

@Anónimo

apuntes

-

Examen 2024 Ordinaria Control

He publicado nuevos apuntes de 4º Simulación y Control de Procesos: Examen 2024 Ordinaria Control

Examen-2024-Ordinaria-Control.pdf

apuntes

-

EXAMENES SIMULACIÓN

He publicado nuevos apuntes de 4º Simulación y Control de Procesos: EXAMENES SIMULACIÓN

Examen-Simulacion-Extraordinario-21.pdf
Examen-Simulacion-Oridnario-21.pdf

apuntes

-

Formulario examen final CONTROL

He publicado nuevos apuntes de 4º Simulación y Control de Procesos: Formulario examen final CONTROL

Formulario-T4-5-6.pdf
Formulario-Temas-2-3.pdf

examenes

-

Exámenes control

He publicado nuevos examenes de 4º Simulación y Control de Procesos: Exámenes control

Examen-extraordinario-2023.pdf
Examen-ordinario-2023.pdf
Miniatura no disponible
Examen-ordinario-2023.sce
Examen-teoria.pdf

He publicado nuevos examenes de 4º Simulación y Control de Procesos: Examen-simulacion-2023.pdf

1 página

He publicado nuevos examenes de 4º Simulación y Control de Procesos: 2oParcial-Practica-2021.pdf

1 página

He publicado nuevos examenes de 4º Simulación y Control de Procesos: 2oParcial-Teoria-resuelto-2021.pdf

5 páginas

He publicado nuevos examenes de 4º Simulación y Control de Procesos: 1o-Parcial-control-Practica2021.pdf

1 página

He publicado nuevos examenes de 4º Simulación y Control de Procesos: 1oParcial-Teoria-resuelto.pdf

5 páginas

apuntes

-

CONTROL teoría y prácticas explicadas

He publicado nuevos apuntes de 4º Simulación y Control de Procesos: CONTROL teoría y prácticas explicadas

tema-1-teoria-y-practicas.pdf
tema-2-teoria-y-practicas.pdf
tema-5-teoria-y-practicas.pdf
tema-3-teoria-y-practicas.pdf
formulario-control.pdf
tema-6-teoria-y-practicas.pdf

He publicado nuevos apuntes de 4º Simulación y Control de Procesos: simulacion-todas-las-practicas-paso-a-paso-explicadas.pdf

26 páginas

apuntes

-

simcon

He publicado nuevos apuntes de 4º Simulación y Control de Procesos: simcon

simcon.pdf
examen-ordinaria-2021.pdf
funciones-de-transferencia.pdf

apuntes

-

control parcial 2

He publicado nuevos apuntes de 4º Simulación y Control de Procesos: control parcial 2

Presentacion-5.pdf
Ejercicios-practicos-explicados.pdf
Presentacion-6.pdf
Ejercicios-teoricos-5.pdf
Ejercicios-teoricos-4.pdf
Ejercicios-practicos-explicados.pdf

apuntes

-

CONTROL

He publicado nuevos apuntes de 4º Simulación y Control de Procesos: CONTROL

Ejercicios-practicos-2.pdf
Ejercicios-practicos-3.pdf
Ejercicios-practicos-1.pdf

apuntes

-

Prácticas detalladas y explicadas

He publicado nuevos apuntes de 4º Simulación y Control de Procesos: Prácticas detalladas y explicadas

Practica-1.pdf
Practica-2.pdf
Practica-3.pdf
Practica-5.pdf
Practica-6.pdf
Practica-4.pdf

apuntes

-

SIMCON

He publicado nuevos apuntes de 4º Simulación y Control de Procesos: SIMCON

SIMULACIÓN-PRACTICAS.pdf
SIMULACION-TEORIA.pdf

He publicado nuevos apuntes de 4º Simulación y Control de Procesos: Practicas-control.pdf

10 páginas

apuntes

-

Teoría

He publicado nuevos apuntes de 4º Simulación y Control de Procesos: Teoría

Resumen-control.pdf
Resumen-simulacion.pdf

He publicado nuevos apuntes de 4º Simulación y Control de Procesos: examen-practicas-y-teoria-2019.pdf

2 páginas

apuntes

-

Apuntes teóricos de prácticas

He publicado nuevos apuntes de 4º Simulación y Control de Procesos: Apuntes teóricos de prácticas

resumen-practicas-.pdf
practica-3-explicada-.pdf
practica-2-explicada.pdf
practica-1-explicada.pdf
practicas-45-y-6-explicadas-.pdf

apuntes

-

Resúmenes teoría

He publicado nuevos apuntes de 4º Simulación y Control de Procesos: Resúmenes teoría

Tema-6-1.pdf
Tena-7-analisis-en-el-dominio-de-Laplace.pdf
Tema-8-analisis-en-el-dominio-de-la-frecuencia.pdf
Tema-7-apuntes-de-clase.pdf
Temas-9-y-10.pdf

He publicado nuevos practicas de 4º Simulación y Control de Procesos: SIMULACION-Y-CONTROL-DE-PROCESOS-CUADERNO-PRACTICAS.pdf

108 páginas
Anónimo

@Anónimo

examenes

-

Examenes

He publicado nuevos examenes de 4º Simulación y Control de Procesos: Examenes

T.pdf
A.pdf

examenes

-

Examenes años anteriores 2

He publicado nuevos examenes de 4º Simulación y Control de Procesos: Examenes años anteriores 2

ex20160119-sol.pdf
20160913-P-SEP.pdf
20160119-T-EC.pdf
20160120-P-EC.pdf
20160210-T-FEB.pdf
20160210-P-FEB.pdf
Anónimo

@Anónimo

examenes

-

Examenes años anteriores

He publicado nuevos examenes de 4º Simulación y Control de Procesos: Examenes años anteriores

20140206-T-FEB.pdf
20150209-P-FEB.pdf
20150209-T-FEB.pdf
20150121-P-EC.pdf
20150120-T-EC.pdf
20140904-P-SEP.pdf

He publicado nuevos apuntes de 4º Simulación y Control de Procesos: Apuntes-parte-II-Control.pdf

44 páginas
¡Estás al día!

¡Estás al día!

Has visto todos los archivos