Sistemas de potencia

chevron_left
chevron_right
Todo
Apuntes
Ejercicios
chevron_left
chevron_right

He publicado nuevos apuntes de Sistemas de potencia: MAQUINAS-DE-C.A..pdf

10 páginas

He publicado nuevos apuntes de Sistemas de potencia: EjerciciosResueltos-C.C.Kirchhoff.pdf

7 páginas

He publicado nuevos apuntes de Sistemas de potencia: Transformadores-y-maquinas-C.C.pdf

7 páginas

He publicado nuevos apuntes de Sistemas de potencia: TEMA-3-TRANSFORMADORES.pdf

17 páginas

He publicado nuevos apuntes de Sistemas de potencia: TEMA-1.pdf

31 páginas

He publicado nuevos apuntes de Sistemas de potencia: Relacion-ejercicios-magnetismo.pdf

10 páginas

He publicado nuevos apuntes de Sistemas de potencia: Problemas-Sistemas-Trifasicos.pdf

14 páginas

He publicado nuevos apuntes de Sistemas de potencia: PROBLEMAS-CORRIENTE-ALTERNA.pdf

13 páginas

He publicado nuevos apuntes de Sistemas de potencia: Inversion-de-giro.pdf

9 páginas

apuntes

-

Esquemas Cade Simu motor paso a paso

He publicado nuevos apuntes de Sistemas de potencia: Esquemas Cade Simu motor paso a paso

Motores-paso-a-paso-bipolares.pdf
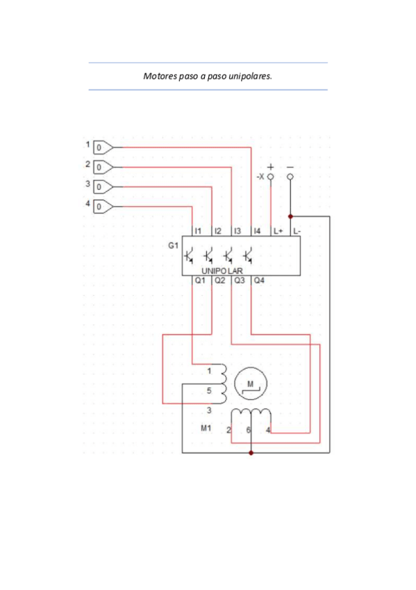
Motores-paso-a-paso-unipolares.pdf

apuntes

-

Esquemas arranque máquinas de CC

He publicado nuevos apuntes de Sistemas de potencia: Esquemas arranque máquinas de CC

Arranque-con-inversion-de-giro-de-un-motor-de-cc-con-excitacion-shunt..pdf
Arranque-directo-de-un-motor-de-c.c.-con-excitacion-independiente-utilizando-dos-fuentes-de-alimentacion..pdf
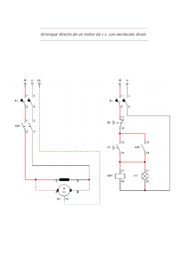
Arranque-directo-de-un-motor-de-c.c.-con-excitacion-shunt..pdf

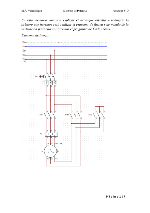
He publicado nuevos apuntes de Sistemas de potencia: Esquema-CadeSimu-Y-D.pdf

2 páginas

He publicado nuevos apuntes de Sistemas de potencia: U.T.4-ELECTROMAGNETISMO.pdf

13 páginas

He publicado nuevos apuntes de Sistemas de potencia: Ejercicios-transformadores-trifasica.pdf

5 páginas

He publicado nuevos ejercicios de Sistemas de potencia: Ejercicios-transformadores.pdf

4 páginas

He publicado nuevos apuntes de Sistemas de potencia: Despiece-de-un-motor-de-CC.pdf

5 páginas

He publicado nuevos apuntes de Sistemas de potencia: Designacion-de-conductores.pdf

6 páginas

He publicado nuevos apuntes de Sistemas de potencia: Autotransformadores.pdf

2 páginas

He publicado nuevos apuntes de Sistemas de potencia: Arranque-maquina-shunt.pdf

5 páginas

He publicado nuevos apuntes de Sistemas de potencia: Arranque-estrella-triangulo.pdf

8 páginas

He publicado nuevos apuntes de Sistemas de potencia: Arranque-de-motores-por-eliminacion-de-resistencias.pdf

2 páginas

He publicado nuevos ejercicios de Sistemas de potencia: Actividades-de-prevencion.pdf

6 páginas
¡Estás al día!

¡Estás al día!

Has visto todos los archivos