chevron_left
chevron_right
Todo
Exámenes
Prácticas
chevron_left
chevron_right

examenes

-

Exámenes

He publicado nuevos examenes de 4º Tecnología de Circuitos Impresos: Exámenes

2014-2015.pdf
2015.pdf
Febrero-2015.pdf
2014.pdf

practicas

-

practicas y proyecto

He publicado nuevos practicas de 4º Tecnología de Circuitos Impresos: practicas y proyecto

EfectosParasitos.pdf
CajaParteVersionBeta.pdf
MyFirstArduino3DPCB.pdf
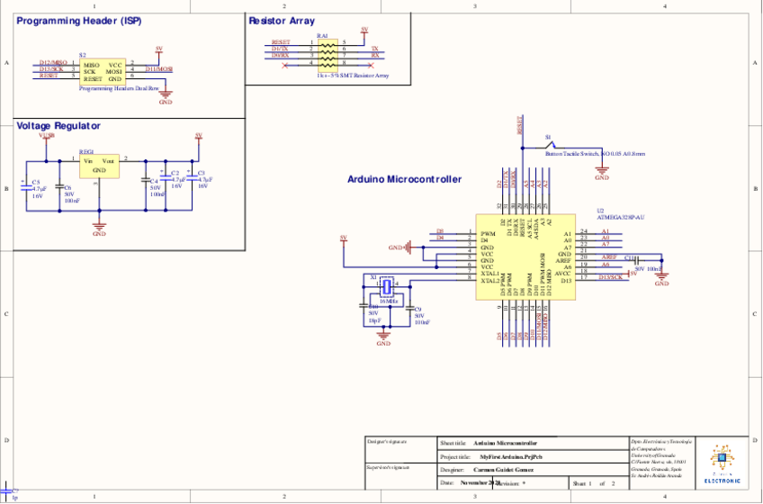
EsquematicoArduinoNano.pdf
NixieBoard.pdf
RelojNixie.pdf
¡Estás al día!

¡Estás al día!

Has visto todos los archivos