chevron_left
chevron_right
Todo
Apuntes
Exámenes
chevron_left
chevron_right

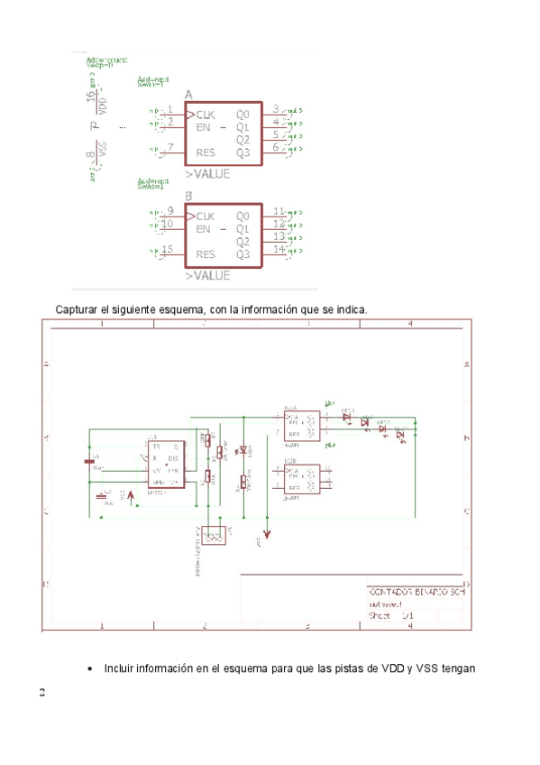
He publicado nuevos examenes de 3º Tecnología de Producción de Sistemas Electrónicos: EXAMEN-EAGLE-TPSE-Tipo.pdf

2 páginas

He publicado nuevos examenes de 3º Tecnología de Producción de Sistemas Electrónicos: EXA-FAB-opcion-1-PLACA-555-LED.pdf

3 páginas

He publicado nuevos examenes de 3º Tecnología de Producción de Sistemas Electrónicos: EXA-FAB-opcion-2-PLACA-CONTADOR-BINARIO.pdf

4 páginas

He publicado nuevos examenes de 3º Tecnología de Producción de Sistemas Electrónicos: 210524TPSEfinalSolucion-V1-1.pdf

4 páginas

He publicado nuevos apuntes de 3º Tecnología de Producción de Sistemas Electrónicos: Preguntas-cortas-TPSE.pdf

5 páginas
Anónimo

@Anónimo

examenes

-

Exámenes

He publicado nuevos examenes de 3º Tecnología de Producción de Sistemas Electrónicos: Exámenes

Parcial1PracticaWittmann.pdf
Ejercicio-2-primer-parcial.pdf
test.pdf
Parcial1-TPSE.pdf
Ejercicio-1-primer-parcial.pdf
Ejercicio-2-primer-parcial3.pdf
¡Estás al día!

¡Estás al día!

Has visto todos los archivos