Tecnología Energética

chevron_left
chevron_right
Todo
Apuntes
Ejercicios
Exámenes
chevron_left
chevron_right

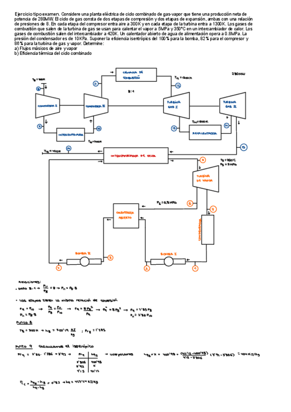
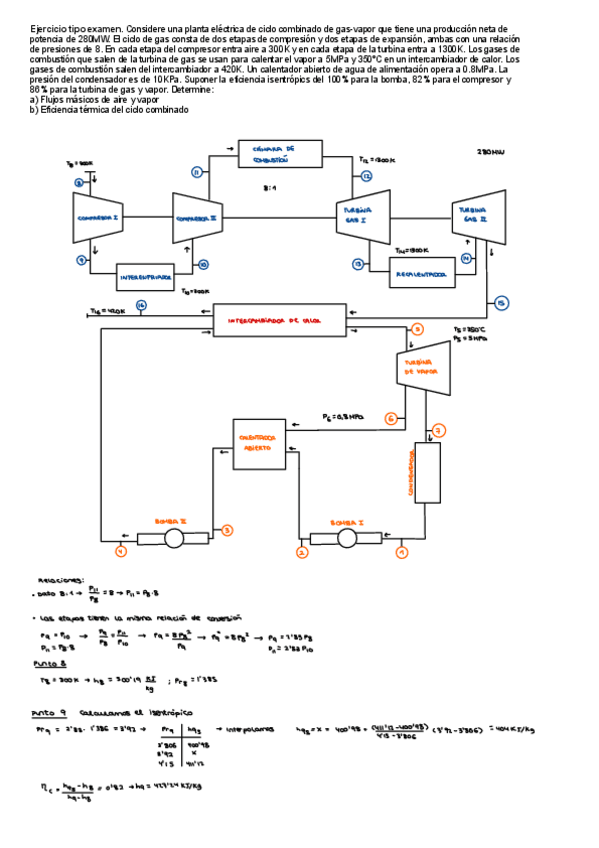
He publicado nuevos ejercicios de 3º Tecnología Energética: Ejercicio-EXAMEN.pdf

10 páginas
Anónimo

@Anónimo

apuntes

-

Temas redactados

He publicado nuevos apuntes de 3º Tecnología Energética: Temas redactados

TEMA-1-Turbinas-de-vapor.pdf
Tema-2-Turbina-de-gas.pdf
Tema-3-Ciclo-combinado.pdf
Tema-4-cogeneracion.pdf
Tema-5-Evaluacion-energetica-y-economica-de-las-plantas-de-cogeneracion.pdf

He publicado nuevos apuntes de 3º Tecnología Energética: Examenes-Resueltos-TEN-2024.pdf

22 páginas

He publicado nuevos apuntes de 3º Tecnología Energética: Apuntes-Maquina-Frigorificas-y-Bombas-de-Calor.pdf

8 páginas

He publicado nuevos apuntes de 3º Tecnología Energética: Apuntes-Plantas-Congeneracion.pdf

6 páginas

He publicado nuevos apuntes de 3º Tecnología Energética: Apuntes-Plantas-Ciclo-Combinado.pdf

7 páginas

He publicado nuevos apuntes de 3º Tecnología Energética: Examen-TEN-2023.pdf

12 páginas

He publicado nuevos apuntes de 3º Tecnología Energética: Ejercicios-combustion.pdf

4 páginas

He publicado nuevos apuntes de 3º Tecnología Energética: Ejercicios-turbina-de-gas.pdf

10 páginas

He publicado nuevos apuntes de 3º Tecnología Energética: Teoria-Plantas-de-Vapor.pdf

16 páginas

apuntes

-

apuntes ten

He publicado nuevos apuntes de 3º Tecnología Energética: apuntes ten

Tema-4-Ciclo-combinado.pdf
Tema-5-Cogeneracion.pdf
Tema-6-Evaluacion-energetica-y-economica-Cogeneracion.pdf
Tema-7-Combustion.pdf
Tema-8-Calderas.pdf
Tema-9-Maquinas-frigorificas-y-bombas-de-calor.pdf

He publicado nuevos examenes de 3º Tecnología Energética: Ejercicios-examen-TEN.pdf

11 páginas

He publicado nuevos examenes de 3º Tecnología Energética: ExamenTENResueltoFebrero.pdf

21 páginas

He publicado nuevos apuntes de 3º Tecnología Energética: TENEsquemaygraficas.pdf

5 páginas

He publicado nuevos ejercicios de 3º Tecnología Energética: EJERCICIOSREFRIGERACION.pdf

3 páginas
Anónimo

@Anónimo

He publicado nuevos examenes de 3º Tecnología Energética: EXAMEN-TEN-FEBRERO.pdf

4 páginas

He publicado nuevos apuntes de 3º Tecnología Energética: Problemas-T.En-T2.pdf

2 páginas

He publicado nuevos apuntes de 3º Tecnología Energética: EjerciciosTEN-prop.pdf

4 páginas

He publicado nuevos apuntes de 3º Tecnología Energética: TENTema9.pdf

7 páginas

He publicado nuevos apuntes de 3º Tecnología Energética: TENTema8.pdf

7 páginas

He publicado nuevos apuntes de 3º Tecnología Energética: TENTema7.pdf

16 páginas

apuntes

-

Problemas resueltos

Problemas resueltos

tema4prob.pdf
tema5prob.pdf
tema7prob.pdf
tema9prob.pdf
tema2prob.pdf
tema3prob.pdf

He publicado nuevos apuntes de 3º Tecnología Energética: TENTema6.pdf

8 páginas

He publicado nuevos apuntes de 3º Tecnología Energética: TENTema5.pdf

5 páginas

He publicado nuevos ejercicios de 3º Tecnología Energética: Problemas-refrigeracion.pdf

11 páginas

He publicado nuevos apuntes de 3º Tecnología Energética: TENTema4.pdf

5 páginas

He publicado nuevos apuntes de 3º Tecnología Energética: TENTema3.pdf

16 páginas

He publicado nuevos ejercicios de 3º Tecnología Energética: TEN4Ciclocombi.pdf

4 páginas

He publicado nuevos ejercicios de 3º Tecnología Energética: TEN3TurbGas.pdf

3 páginas

He publicado nuevos ejercicios de 3º Tecnología Energética: TEN2ProbTurbVap.pdf

3 páginas

He publicado nuevos apuntes de 3º Tecnología Energética: Tema-4ten.pdf

7 páginas

He publicado nuevos apuntes de 3º Tecnología Energética: Tema-3-TEN.pdf

17 páginas

He publicado nuevos apuntes de 3º Tecnología Energética: Tema-2-TEN.pdf

21 páginas

He publicado nuevos apuntes de 3º Tecnología Energética: TEN-t2.pdf

14 páginas
Anónimo

@Anónimo

Profesor Jose A Velez

pdf

He publicado nuevos apuntes de 3º Tecnología Energética: tema-7-preguntas.pdf

2 páginas

He publicado nuevos apuntes de 3º Tecnología Energética: potencia-indicada.pdf

9 páginas

He publicado nuevos apuntes de 3º Tecnología Energética: Introduccion-motore.pdf

4 páginas

He publicado nuevos apuntes de 3º Tecnología Energética: conceptos-basicos.pdf

6 páginas

He publicado nuevos apuntes de 3º Tecnología Energética: Tema-3.pdf

6 páginas

He publicado nuevos apuntes de 3º Tecnología Energética: Tema-2.pdf

10 páginas

He publicado nuevos apuntes de 3º Tecnología Energética: Ejercicios-parcial-2.pdf

16 páginas
Anónimo

@Anónimo

He publicado nuevos apuntes de 3º Tecnología Energética: Flujo-de-energia-de-una-turbina-de-gas.pdf

11 páginas
Anónimo

@Anónimo

He publicado nuevos ejercicios de 3º Tecnología Energética: Ejercicio-de-clase.pdf

4 páginas
Anónimo

@Anónimo

He publicado nuevos apuntes de 3º Tecnología Energética: CICLOS-DE-RANKINE-.docx

word
Anónimo

@Anónimo

He publicado nuevos apuntes de 3º Tecnología Energética: CICLOS-BRAYTON-SIMPLE-Y-REGENERATIVO.docx

word
Anónimo

@Anónimo

He publicado nuevos apuntes de 3º Tecnología Energética: Mis-apuntes-cuaderno-de-clase.pdf

11 páginas

He publicado nuevos apuntes de 3º Tecnología Energética: Tema-11.pdf

2 páginas

He publicado nuevos apuntes de 3º Tecnología Energética: Tema-10-problemas.pdf

12 páginas

He publicado nuevos apuntes de 3º Tecnología Energética: Tema-9-teoria.pdf

11 páginas

He publicado nuevos apuntes de 3º Tecnología Energética: Tema-9-problemas.pdf

7 páginas

He publicado nuevos apuntes de 3º Tecnología Energética: Tema-8-teoria.pdf

4 páginas

He publicado nuevos apuntes de 3º Tecnología Energética: Tema-7-resumen-y-problemas.pdf

7 páginas

He publicado nuevos apuntes de 3º Tecnología Energética: Tema-6-teoria.pdf

8 páginas

He publicado nuevos apuntes de 3º Tecnología Energética: Tema-5-teoria.pdf

4 páginas

He publicado nuevos apuntes de 3º Tecnología Energética: Tema-3-teoria.pdf

7 páginas

He publicado nuevos apuntes de 3º Tecnología Energética: Tema-3-problemas.pdf

9 páginas

He publicado nuevos apuntes de 3º Tecnología Energética: Tema-2-teoria-y-problemas.pdf

13 páginas

He publicado nuevos apuntes de 3º Tecnología Energética: Tema-1-teoria.pdf

13 páginas

Posibles preguntas de examen del tema 6 "Turbinas de Gas", con respuestas incluidas

2 páginas