Lerang
Exámenes + Soluciones 2017-2019
2017-07-11-Solucion.pdf
6 páginas
2019-05-20-Solucion.pdf
4 páginas
2017-07-11-Enunciado.pdf
2 páginas
2018-07-13-Solucion.pdf
3 páginas
2017-06-01-Solucion.pdf
9 páginas
2017-06-01-Enunciado.pdf
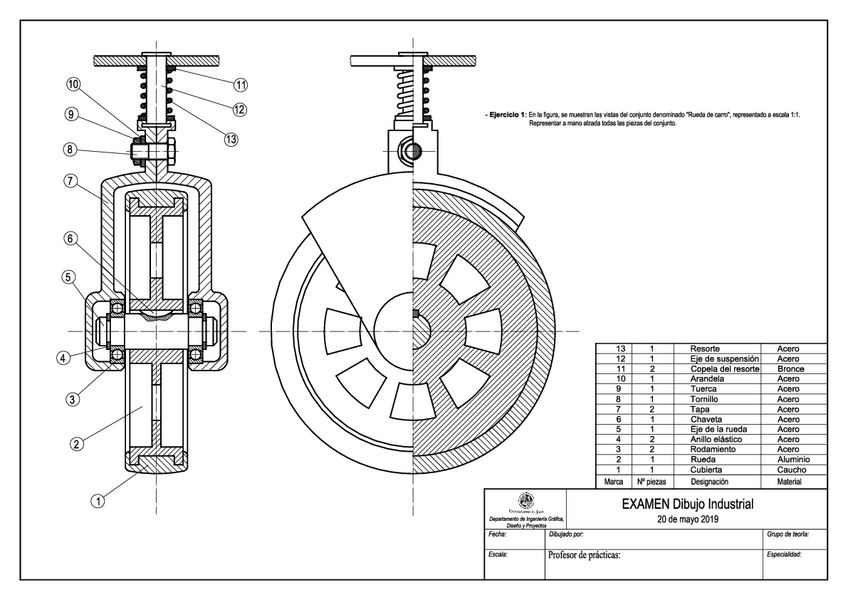
2019-05-20-Enunciado-1.pdf
2018-07-13-Enunciado.pdf
Prácticas - Autocorreccion-de-Practicas-Laminas.zip
zip
183
1
Exámenes - SOL-EX-DI-31-05-2021.pdf
pdf
265
Exámenes - Examenes-resueltos-dibujo-industrial.pdf
26 páginas
159
7
Prácticas - SOL-P-06-1.ppsx
ppsx
63
0
Prácticas - Práctica 11.rar
rar
51
Exámenes - 2019-05-20-Solucion.pdf
210
Prácticas - SOL-P-10.pdf
203
3
Exámenes - 2017-06-01-Solucion.pdf
131
Prácticas - SOL-P-12.pdf
186
Prácticas - Práctica 2.rar
52
Prácticas - SOL-PRACT-11.pdf
192
Exámenes - Examen-junio2023.pdf
190
Exámenes - 2017-07-11-Solucion.pdf
187
Prácticas - SOL-Practica-09.pdf
160
Exámenes - EN-SOL-EX-2017-06-01.pdf
7 páginas
199
Apuntes - Examen-extraordinaria-2021.pdf
196
Apuntes - SOL-EX-DI-23-06-21.pdf
208
Prácticas - Práctica 10.rar
21
Apuntes - 2018-07-13-Solucion.pdf
156
Apuntes - dibujoindustrial.pdf
229 páginas
58