Mr_Wuolah
Ejercicios Resueltos
T3_Ejercicios_giros_abat_CP1_soluciones.pdf
5 páginas
T3_Ejercicios_giros_abat_CP2_soluciones.pdf
6 páginas
T4_Ejercicios_distancias_angulos_soluciones.pdf
T6_Ejercicios_isometrico_soluciones.pdf.pdf
4 páginas
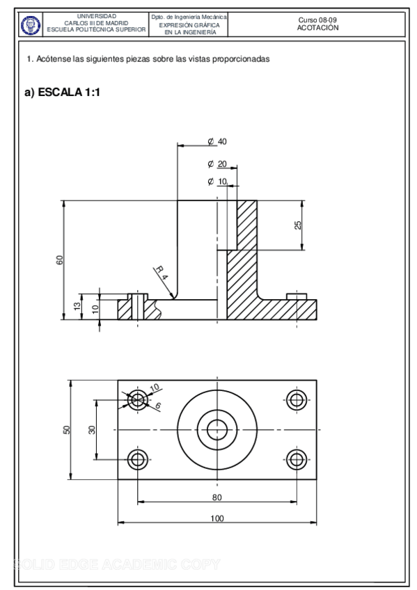
T9_Ejercicios_acotacion_soluciones.pdf.pdf
Exámenes - Mec-Expresión Gráfica-Final Junio-2013.pdf.docx
docx
19
0
Apuntes - ApuntesDiedricoBasico.docx
4
Exámenes - Scan-31-may.pdf
pdf
8 páginas
165
Exámenes - diedrico_examen_mayo0809_enunciado.pdf
1 página
130
Exámenes - Problemas varios.pdf
155
1
Ejercicios - EJERCICIOS-DEL-DIA-4-5-20.pdf
38 páginas
32
Exámenes - diedrico_examen_mayo0809_solucion.pdf
129
Exámenes - EnunciadoISOMETRICOEvContinua11-05-2020A4.pdf
2 páginas
5
Ejercicios - T3_Ejercicios_giros_abat_CP2_soluciones.pdf
93
Exámenes - examen_mayo09_conjunto_solucion.pdf
117
Ejercicios - T4_Ejercicios_distancias_angulos_soluciones.pdf
95
Exámenes - parcial1-2011enunciado.pdf.docx
14
Exámenes - Extraordinary-exam-2020.pdf
125
Ejercicios - T9_Ejercicios_acotacion_soluciones.pdf.pdf
105
3
Apuntes - Tolerancias-ACADEMIApdf.pdf
10 páginas
112
Exámenes - Examen diedrico 2015.pdf
91
Ejercicios - T3_Ejercicios_giros_abat_CP1_soluciones.pdf
90
Exámenes - examen_junio09_conjunto_enunciado.pdf
3 páginas
94
Exámenes - Examen Solid 2016.pdf
89
Exámenes - Examen Solid Edge 2017.pdf
111