angelupc
P5 - Síncrona
ENUNCIAT-5-SINCRONA.PDF
6 páginas
practica-5-sincrona-3d.PDF
1 página
practica-5-sincrona-a-mano.pdf
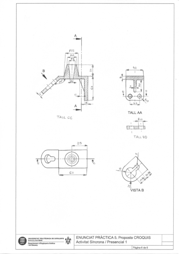
practica-5-sincrona-croquis.PDF
practica-5-sincrona-toma-de-medidas.pdf
salgadoardilap5presencial.pdf
4 páginas
Prácticas - practica-4-sincrona-croquis.PDF
pdf
28
0
Exámenes - TorresLozanoPeca.pdf
36
Prácticas - practica-5-sincrona-a-mano.pdf
19
Exámenes - TorresLozanoPLANOL.pdf
38
Prácticas - practica-4-sincrona-mano.pdf
25
Apuntes - Captura-de-pantalla-2023-10-05-182755.pdf
16
Exámenes - TorresLozanoSOLID.pdf
31
Prácticas - practica-5-sincrona-croquis.PDF
21
Prácticas - Practica-6-sincrona-1-croquis.PDF
13
Exámenes - TorresLozanoPLANO.pdf
27
Prácticas - practica-5-sincrona-3d.PDF
6
Apuntes - Croquis-II.png
png
11
Prácticas - practica-4-sincrona-3d.PDF
12
Exámenes - Croquis-II.pdf
14
Apuntes - dibujo-vistas-.pdf
2 páginas
Prácticas - Base.SLDDRW
slddrw
5
Prácticas - Practica-6-sincrona-2-mano.pdf
Prácticas - salgadoardilap6presencial.pdf
9
Prácticas - practica-7-sincrona.SLDASM
sldasm
2
Prácticas - salgadoardila3d.PDF
7