Todo
Apuntes
Ejercicios
Exámenes
Test
chevron_left
chevron_right

These contain all of my technical drawing notes and at the end you will see some isometric exercises, which I hope you find somewhat helpful :D

14 páginas

Esquema General Teoria Final

4 páginas

He publicado nuevos apuntes de 1º Expresión Gráfica en la Ingeniería: Teoria-Todo.pdf

2 páginas

He publicado nuevos apuntes de 1º Expresión Gráfica en la Ingeniería: Teoria-Dibujo-Tecnico.pdf

8 páginas

He publicado nuevos examenes de 1º Expresión Gráfica en la Ingeniería: Test-de-acotacion-con-solucion.pdf

7 páginas

examenes

-

Ejercicios resueltos vistas y piezas

He publicado nuevos examenes de 1º Expresión Gráfica en la Ingeniería: Ejercicios resueltos vistas y piezas

Ejercicios-resueltos-vistas-y-piezas-1.pdf
Ejercicios-resueltos-vistas-y-piezas-1.pdf
Ejercicios-resueltos-vistas-y-piezas-2.pdf
Ejercicios-resueltos-vistas-y-piezas-2.pdf
Ejercicios-resueltos-vistas-y-piezas-3.pdf
Ejercicios-resueltos-vistas-y-piezas-3.pdf

examenes

-

Ejercicios resueltos diédrico

He publicado nuevos examenes de 1º Expresión Gráfica en la Ingeniería: Ejercicios resueltos diédrico

Ejercicios-resueltos-diedrico-1.pdf
Ejercicios-resueltos-diedrico-1.pdf
Ejercicios-resueltos-diedrico-2.pdf
Ejercicios-resueltos-diedrico-2.pdf
Ejercicios-resueltos-diedrico-3.pdf
Ejercicios-resueltos-diedrico-3.pdf

He publicado nuevos apuntes de 1º Expresión Gráfica en la Ingeniería: Tolerancias.pdf

1 página
Anónimo

@Anónimo

ejercicios

-

Ejercicios resueltos y exámenes

He publicado nuevos ejercicios de 1º Expresión Gráfica en la Ingeniería: Ejercicios resueltos y exámenes

T4Ejerciciosdistanciasangulossoluciones-1.pdf
T4Ejerciciosdistanciasangulossoluciones-1.pdf
T3EjerciciosgirosabatCP2soluciones.pdf
T3EjerciciosgirosabatCP2soluciones.pdf
PRUEBA1mar2014-ej1modif.solucion-apartado-c.pdf
PRUEBA1mar2014-ej1modif.solucion-apartado-c.pdf

apuntes

-

Apuntes por temas y ejercicios

He publicado nuevos apuntes de 1º Expresión Gráfica en la Ingeniería: Apuntes por temas y ejercicios

Tema-11-conjuntos-industriales.pdf
Tema-11-conjuntos-industriales.pdf
Poliedros-y-consejos-diedrico.pdf
Poliedros-y-consejos-diedrico.pdf
Perspectiva-Axonometrica.pdf
Perspectiva-Axonometrica.pdf

He publicado nuevos apuntes de 1º Expresión Gráfica en la Ingeniería: Resumen-DIEDRICO-con-teoria-.pdf

10 páginas

He publicado nuevos apuntes de 1º Expresión Gráfica en la Ingeniería: Resumen-DIEDRICO.pdf

13 páginas

He publicado nuevos apuntes de 1º Expresión Gráfica en la Ingeniería: Apuntes-tolerancias.pdf

2 páginas

He publicado nuevos apuntes de 1º Expresión Gráfica en la Ingeniería: apuntes-normalizacion.pdf

pdf

He publicado nuevos apuntes de 1º Expresión Gráfica en la Ingeniería: apuntes-diedrico.pdf

pdf

He publicado nuevos apuntes de 1º Expresión Gráfica en la Ingeniería: Dibujo-Tecnico.pdf

106 páginas

apuntes

-

Dibujo tecnico por temas

He publicado nuevos apuntes de 1º Expresión Gráfica en la Ingeniería: Dibujo tecnico por temas

8-Secciones-y-Cortes.pdf
8-Secciones-y-Cortes.pdf
1-Introduccion.pdf
1-Introduccion.pdf
6-Figuras-Espaciales.pdf
6-Figuras-Espaciales.pdf

He publicado nuevos apuntes de 1º Expresión Gráfica en la Ingeniería: ExDiedricoFeb-11sol.pdf

5 páginas

He publicado nuevos apuntes de 1º Expresión Gráfica en la Ingeniería: ExDiedricoMay17sol.pdf

1 página

He publicado nuevos apuntes de 1º Expresión Gráfica en la Ingeniería: EGIResumenTolerancias.pdf

2 páginas

He publicado nuevos apuntes de 1º Expresión Gráfica en la Ingeniería: Tolerancias.pdf

5 páginas

He publicado nuevos ejercicios de 1º Expresión Gráfica en la Ingeniería: Ejercicios-Piezas-Industriales.pdf

11 páginas

He publicado nuevos ejercicios de 1º Expresión Gráfica en la Ingeniería: Ejercicios-Diedrico.pdf

17 páginas

He publicado nuevos ejercicios de 1º Expresión Gráfica en la Ingeniería: Ejercicios-cortes-y-secciones.pdf

5 páginas

He publicado nuevos ejercicios de 1º Expresión Gráfica en la Ingeniería: Ejercicios-Acotacion.pdf

7 páginas

He publicado nuevos apuntes de 1º Expresión Gráfica en la Ingeniería: RESUMEN-ACOTACION.pdf

1 página

apuntes

-

Apuntes EXPRESION GRÁFICA - DIÉDRICO

He publicado nuevos apuntes de 1º Expresión Gráfica en la Ingeniería: Apuntes EXPRESION GRÁFICA - DIÉDRICO

Apuntes-Dibujo-Intersecciones-Paralelismo-Y-Perpendicularidad.pdf
Apuntes-Dibujo-Intersecciones-Paralelismo-Y-Perpendicularidad.pdf
Apuntes-Dibujo-Representaciones.pdf
Apuntes-Dibujo-Representaciones.pdf
Apuntes-Dibujo-Giros-Cambios-de-Plano-Abatimientos-Distancias-y-Angulos.pdf
Apuntes-Dibujo-Giros-Cambios-de-Plano-Abatimientos-Distancias-y-Angulos.pdf
Anónimo

@Anónimo

He publicado nuevos examenes de 1º Expresión Gráfica en la Ingeniería: Partial-exam-2020.pdf

1 página
Anónimo

@Anónimo

examenes

-

Exams 2020

He publicado nuevos examenes de 1º Expresión Gráfica en la Ingeniería: Exams 2020

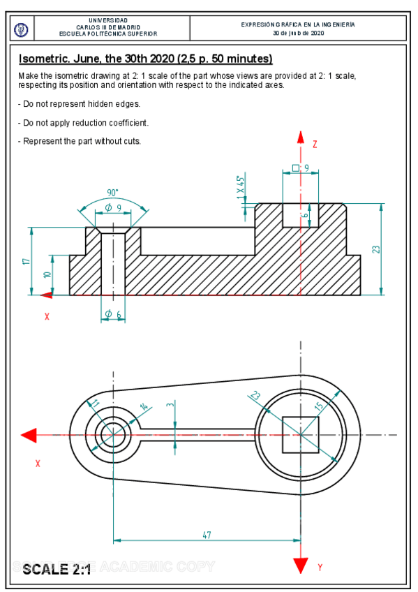
isometric-extraordinary-exam-2020.pdf
isometric-extraordinary-exam-2020.pdf
diedrico-exam-2020.pdf
diedrico-exam-2020.pdf
Anónimo

@Anónimo

He publicado nuevos examenes de 1º Expresión Gráfica en la Ingeniería: Extraordinary-exam-2020.pdf

1 página

He publicado nuevos examenes de 1º Expresión Gráfica en la Ingeniería: Scan-31-may.pdf

8 páginas

apuntes

-

Todos los Temas. COMPLETOS

He publicado nuevos apuntes de 1º Expresión Gráfica en la Ingeniería: Todos los Temas. COMPLETOS

T4DistanciasAngulosppsplit.pdf
T4DistanciasAngulosppsplit.pdf
T3EjerciciosgirosabatCPtriangulo.pdf
T3EjerciciosgirosabatCPtriangulo.pdf
T2DiedricoFundamentosppsplit.pdf
T2DiedricoFundamentosppsplit.pdf

apuntes

-

Todos los Temas. COMPLETOS

He publicado nuevos apuntes de 1º Expresión Gráfica en la Ingeniería: Todos los Temas. COMPLETOS

T3EjerciciosgirosabatCPtriangulo.pdf
T3EjerciciosgirosabatCPtriangulo.pdf
T4Ejerciciosdistanciasangulosexamenesanteriores.pdf
T4Ejerciciosdistanciasangulosexamenesanteriores.pdf
Presentacionasignatura201920.pdf
Presentacionasignatura201920.pdf

He publicado nuevos examenes de 1º Expresión Gráfica en la Ingeniería: Parcialconjunto201920enunciado.pdf

1 página

He publicado nuevos ejercicios de 1º Expresión Gráfica en la Ingeniería: EJERCICIOS-DEL-DIA-4-5-20.pdf

38 páginas

ejercicios

-

Conjunto. Tolerancias

He publicado nuevos ejercicios de 1º Expresión Gráfica en la Ingeniería: Conjunto. Tolerancias

Solucion.pdf
Solucion.pdf
EjercicioCtoTolcompleto.pdf
EjercicioCtoTolcompleto.pdf

examenes

-

Figura Isométrico. 11 de Mayo 2020

He publicado nuevos examenes de 1º Expresión Gráfica en la Ingeniería: Figura Isométrico. 11 de Mayo 2020

EnunciadoISOMETRICOEvContinua11-05-2020A4.pdf
EnunciadoISOMETRICOEvContinua11-05-2020A4.pdf
examen-11-de-mayo.pdf
examen-11-de-mayo.pdf

examenes

-

Solid Edge 2020 RESUELTO

He publicado nuevos examenes de 1º Expresión Gráfica en la Ingeniería: Solid Edge 2020 RESUELTO

Examen-Solid-19-20-Biela-Manivela.pdf
Examen-Solid-19-20-Biela-Manivela.pdf
Eje-cabeza.doc
Eje-cabeza.doc
Rueda.doc
Rueda.doc

He publicado nuevos apuntes de 1º Expresión Gráfica en la Ingeniería: Tablastolerancias.pdf

5 páginas

He publicado nuevos apuntes de 1º Expresión Gráfica en la Ingeniería: Tolerances-excel.xlsx

excel

apuntes

-

ExpGr Exámenes Vnotes

He publicado nuevos apuntes de 1º Expresión Gráfica en la Ingeniería: ExpGr Exámenes Vnotes

ExpGraphSolid-Edge-Examenes.pdf
ExpGraphSolid-Edge-Examenes.pdf
ExpGraphFinalMayo-2010Diedrico.pdf
ExpGraphFinalMayo-2010Diedrico.pdf
Plantilla-general-acotacion.pdf
Plantilla-general-acotacion.pdf

He publicado nuevos apuntes de 1º Expresión Gráfica en la Ingeniería: ExpGraphDiedricoParcial2011.pdf

1 página

He publicado nuevos apuntes de 1º Expresión Gráfica en la Ingeniería: Tolerancias-ACADEMIApdf.pdf

10 páginas

apuntes

-

Resumen Diédrico e Isométrico ACADEMIA

He publicado nuevos apuntes de 1º Expresión Gráfica en la Ingeniería: Resumen Diédrico e Isométrico ACADEMIA

Diedrico-e-Isometrico-ACADEMIA.pdf
Diedrico-e-Isometrico-ACADEMIA.pdf

He publicado nuevos apuntes de 1º Expresión Gráfica en la Ingeniería: Tolerancias-ACADEMIApdf.pdf

10 páginas

He publicado nuevos apuntes de 1º Expresión Gráfica en la Ingeniería: Diedrico-e-Isometrico-ACADEMIA.pdf

21 páginas

ejercicios

-

Cubiertas RESUELTAS

He publicado nuevos ejercicios de 1º Expresión Gráfica en la Ingeniería: Cubiertas RESUELTAS

Cubierta-RESUELTO.pdf
Cubierta-RESUELTO.pdf
Cubierta-RESUELTO-.pdf
Cubierta-RESUELTO-.pdf
Cubierta-RESUELTO-.pdf
Cubierta-RESUELTO-.pdf

He publicado nuevos apuntes de 1º Expresión Gráfica en la Ingeniería: laminas-resueltoas.pdf

70 páginas

apuntes

-

diedrico APUNTES

He publicado nuevos apuntes de 1º Expresión Gráfica en la Ingeniería: diedrico APUNTES

diedrico-APUNTES.pdf
diedrico-APUNTES.pdf
T3EjerciciosgirosabatCP2je.pdf
T3EjerciciosgirosabatCP2je.pdf
T3EjerciciosgirosabatCP1je.pdf
T3EjerciciosgirosabatCP1je.pdf