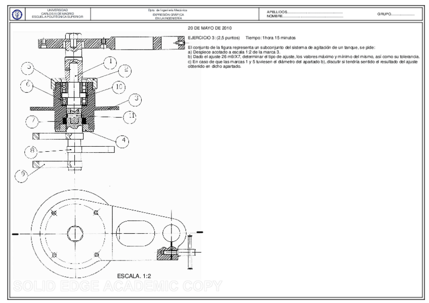
conjunto2010.pdf

Me_Llamo_Earl_1627999985

Colección de Exámenes

24 archivos·

Coleccion de examenes dibujo.pdf

9 páginas

isometricojunio09solucion.pdf

1 página

Junio-2009.pdf

3 páginas

Septiembre-2003.pdf

1 página

isometricomayo09solucion.pdf

1 página

isometricomayo09enunciado.pdf

1 página

soluciondiedricojunio09.pdf

1 página

parcial1-2011enunciado.pdf

1 página

junio2003-UPM.pdf

9 páginas

Problemas-varios.pdf

6 páginas

Tablastolerancias.pdf

4 páginas

Ejercicio3conjuntosep08.pdf

1 página

examenjunio09conjuntoenunciado.pdf

1 página

examenjunio09conjuntosolucion.pdf

3 páginas

examenmayo09conjuntosolucion.pdf

5 páginas

dt1junio2002-UPM.pdf

8 páginas

isometricojunio09enunciado.pdf

1 página

examenmayo09conjuntoenunciado.pdf

1 página

enunciadodiedricojunio09.pdf

1 página

Ejercicio3conjunto.pdf

1 página

diedricoM10enunciadodef.pdf

1 página

conjunto2010.pdf

1 página

diedricoexamenmayo0809solucion.pdf

1 página

diedricoexamenmayo0809enunciado.pdf

1 página

content_copy

Archivos recomendados