Anónimo
Forjados resueltos Vigueta Bovedilla
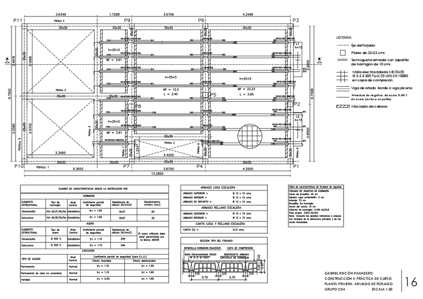
solucion-forjado-1.pdf
1 página
solucion-forjado.pdf
solucion-forjado-5.pdf
forjado5.pdf
forjado.pdf
forjado4.pdf
forjado3.pdf
forjado2.pdf
forjado1pdf.pdf
Apuntes - Teoria-ConstruCOMPLETO.pdf
pdf
42 páginas
122
2
Exámenes - Examen-extraordinario-Intro-GFAU-JUNIO-2020-DEF.pdf
2 páginas
151
1
Apuntes - Introduccion-a-la-construccion-.pdf
0 páginas
133
3
Apuntes - Inkedc1fop2031LI.pdf
80
Apuntes - Resumen-examen-construccion.pdf
3 páginas
67
4
Apuntes - CubiertasDetalles.pdf
11 páginas
71
Apuntes - cubierta-plana-transitable.pdf
64
0
Apuntes - CimentacionDetalles.pdf
55
Apuntes - cubierta-inclinada-ligera.pdf
61
Apuntes - Forjados-MurosDetalles.pdf
8 páginas
46
75
Prácticas - forjado1pdf.pdf
51
Prácticas - solucion-forjado-1.pdf
47
36
38
43
Prácticas - solucion-forjado.pdf
37
Apuntes - INTRODUCCION-A-LA-CONSTRUCCION-I-CONOCIMIENTOS-BASICOS.pdf
Prácticas - forjado4.pdf
32