GALADIUScc
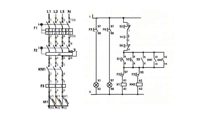
Practica-2-Enclavamiento-de-motores-Jorge-Morales.pdf
1 página
Apuntes - 25-Proteccion-contra-sobreintensidades-y-sistemas-de-seguridad-y-toma-tierra-reducido.pdf.pdf
pdf
11 páginas
12
0
Apuntes - T-4-Organizacioninstalacioncorregido.pdf.pdf
12 páginas
8
Ejercicios - Ejercicios.pdf
19 páginas
Ejercicios - EJERCICIOS-ELECTRIFICACION.pdf
18 páginas
Prácticas - Practica-3-Inversion-de-giro-de-motor-trifasico.pdf
Prácticas - Practica-2-Enclavamiento-de-motores-Jorge-Morales.pdf
Prácticas - Practica-1-Enclavamiento-de-contactores-Jorge-Morales.pdf
Prácticas - Ejercicio-5-Jorge-Morales.pdf
Prácticas - Ejercicio-3-Jorge-Morales.pdf
Prácticas - Caso-Practico-Jorge-Morales-1.pdf
Apuntes - Test-Corrientre-alterna-monofasica.pdf
2 páginas
Exámenes - EXAMEN-RELEA.pdf
Apuntes - T-5-Instalacion-acometida-enlace-interior-IP-IK-2020.pdf
15 páginas
Apuntes - 2.-Tema-5-Sistemas-trifasicos.pdf
4 páginas
Apuntes - 1.-Tema-4-La-corriente-alterna-monofasica.pdf
3 páginas
Apuntes - 1.-Tema-3-Corriente-alterna-monofasica.-Circuitos-serie-R-L-C.pdf
Apuntes - 1.-Tema-2-Receptores-elementales-de-la-corriente-alterna.pdf
Apuntes - 1.-Tema-1-corriente-alterna.pdf
Apuntes - T-3-Cables-20211010.pdf
13 páginas
1
Apuntes - T-2-Esquemas-y-simbolos-2022.pdf
9 páginas