@Amaropiscina

Estudios: Grado en Ingeniería Mecánica (UCA) ...Mostrar más

28 Publicaciones

1.52k Interacciones

0 Seguidores

0 Siguiendo

Lista de publicaciones de Amaropiscina

He publicado nuevos examenes de 2º Ingenieria de Fabricación: EXAMEN-septiembre-2021-RESUELTO.pdf

4 páginas

ejercicios

-

TODOS LOS EJERCICIOS RESUELTOS

He publicado nuevos ejercicios de 1º Ciencia e Ingeniería de los Materiales: TODOS LOS EJERCICIOS RESUELTOS

Problemas-T6.pdf
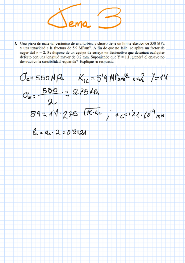
Problemas-T3.pdf
Problemas-T2.pdf

He publicado nuevos apuntes de 2º Electrónica: Cuestiones-de-teoria-RESUELTAS.pdf

9 páginas

He publicado nuevos examenes de 1º Estadística: Test-JUNIO-2022-RESUELTAS.pdf

2 páginas

He publicado nuevos examenes de 1º Ciencia e Ingeniería de los Materiales: Preguntas-examen-2017-resueltas.pdf

11 páginas

He publicado nuevos apuntes de 2º Ampliación de Matemáticas: Examen-Septiembre-2022.pdf

1 página

ejercicios

-

LOS PROBLEMAS RESUELTOS(SE VA SUBIENDO)

He publicado nuevos ejercicios de 1º Ciencia e Ingeniería de los Materiales: LOS PROBLEMAS RESUELTOS(SE VA SUBIENDO)

Problemas-T6.pdf
Problemas-T3.pdf
Problemas-T2.pdf
Problemas-T8.pdf

practicas

-

Prácticas 2022

He publicado nuevos practicas de 2º Automática: Prácticas 2022

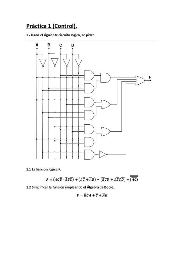
Practica-1-CNTR.pdf
Practica-1.pdf
Practica-4-control.pdf
Practica-3.pdf
Practica-4.pdf
Practica-2.pdf

He publicado nuevos apuntes de 2º Automática: Regulacion.pdf

3 páginas

He publicado nuevos apuntes de 2º Elasticidad y Resistencia de Materiales I: FORMULARIO-GITANO-ERMI.pdf

pdf

He publicado nuevos apuntes de 1º Cálculo: Formulario-Calculo-Bloque-2.pdf

pdf

apuntes

-

TESTS BQ I(SIEMPRE ENTRAN EL MISMO TIPO)

He publicado nuevos apuntes de 1º Cálculo: TESTS BQ I(SIEMPRE ENTRAN EL MISMO TIPO)

kahoot-bq-1.pdf
kahoot-bq-1.pdf

He publicado nuevos test de 1º Cálculo: Kahoot-Calculo-2022.pdf

pdf

He publicado nuevos examenes de 1º Expresión Gráfica y Diseño Asistido: EXAMEN-20-21-RESUELTO.pdf

6 páginas

He publicado nuevos apuntes de 1º Cálculo: Formulario.pdf

10 páginas