@Ignacio70

Estudios: Grado en Ingeniería Mecánica (UMA) ...Mostrar más

94 Publicaciones

5.35k Interacciones

0 Seguidores

0 Siguiendo

Lista de publicaciones de Ignacio70

He publicado nuevos examenes de 3º Máquinas Eléctricas 2: Examen Resuelto Maquina continua Junio 2019.pdf

8 páginas

He publicado nuevos test de 4º Metrología y Calidad: Test metrologia.pdf

10 páginas

He publicado nuevos trabajos de 4º Metrología y Calidad: Test metrologia.pdf

10 páginas

He publicado nuevos examenes de 2º Termotecnia: P1 resuelto ex 14 dic 2015.pdf

4 páginas

He publicado nuevos examenes de 3º Ingeniería Gráfica Eléctrica y Topografía: Examen Dibujo Industrial Febrero 2018 .pdf

1 página

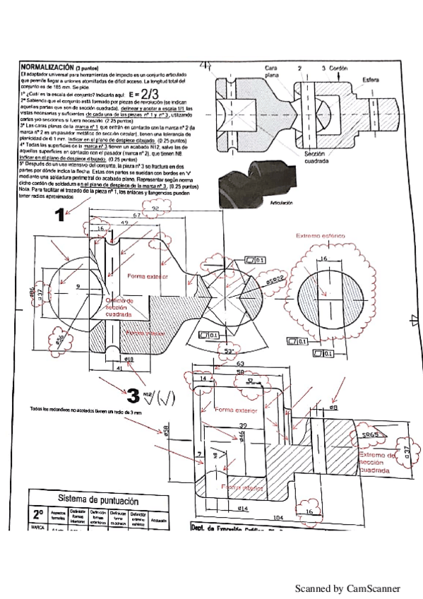
He publicado nuevos examenes de 3º Ingeniería Gráfica Mecánica y Topografía: Examen Dibujo Industrial Febrero 2018 .pdf

1 página

He publicado nuevos examenes de 1º Apuntes Variados: Examen Dibujo Industrial Febrero 2018 .pdf

1 página

practicas

-

Practicas de Laboratorio

He publicado nuevos practicas de 2º Mecánica de Fluidos: Practicas de Laboratorio

Práctica 1 PT fluidos negro.pdf
Práctica 2 FLuidos(1) negro.pdf
Práctica 4 negro.pdf

He publicado nuevos examenes de 2º Automática: examen_parcial_2009_resuelto.pdf

8 páginas

examenes

-

Exámenes Resueltos

He publicado nuevos examenes de 2º Fundamentos de Electrónica: Exámenes Resueltos

Examenes.pdf
EXAMEN PRÁCTICAS DIGITAL I.docx
EXAMEN PRÁCTICAS DIGITAL II.docx
EXAMEN PRÁCTICAS DIGITAL III.docx
EXAMEN PRÁCTICAS ANALÓGICA I.docx
EXAMEN PRÁCTICAS ANALÓGICA II.docx

He publicado nuevos apuntes de 3º Diseño Asistido Por Ordenador: Libro dibujo industrial.pdf

152 páginas

He publicado nuevos examenes de 2º Fundamentos de Ingeniería Eléctrica: EXAMENES TEORIA DE CIRCUITOS.pdf

199 páginas

examenes

-

TEST RESUELTOS

He publicado nuevos examenes de 2º Fundamentos de Electrónica: TEST RESUELTOS

Miniatura no disponible
Test 1 (I).zip
Miniatura no disponible
Test 1 (II).zip
Miniatura no disponible
Test 2.zip

He publicado nuevos apuntes de 1º Apuntes Variados: Libro dibujo industrial.pdf

152 páginas

examenes

-

Exámenes Resueltos Recientes

He publicado nuevos examenes de 2º Ciencia de los Materiales: Exámenes Resueltos Recientes

Examen 2014-06-20 - Soluciones-R1(1).pdf
Examen 2015-06-16 - Soluciones(1).pdf
Examen_2012-06-04_-_Ejercicio_1.pdf
Examen_2013-02-14_-_Ejercicio_1.pdf
DIFUSION._PROBLEMAS_RESUELTOS.pdf

He publicado nuevos trabajos de 3º Cálculo y Diseño de Máquinas: Memoria detallada de cálculos rodamientos negro.pdf

8 páginas

He publicado nuevos test de 2º Ciencia de los Materiales: Politécnica.rar

Miniatura no disponible
rar

test

-

Test Parciales (Resueltos y Correcto)

He publicado nuevos test de 2º Ciencia de los Materiales: Test Parciales (Resueltos y Correcto)

Prueba de conocimiento No. 1 Ignacio.pdf
Prueba de conocimiento No. 2 Ignacio.pdf
Prueba de conocimiento No. 3 Ignacio.pdf

He publicado nuevos apuntes de 3º Ingeniería Gráfica Mecánica y Topografía: Libro dibujo industrial.pdf

152 páginas

He publicado nuevos examenes de 2º Automática: examen_julio2005_resuelto.pdf

14 páginas