@lebest

93 Publicaciones

1.79k Interacciones

1 Seguidores

0 Siguiendo

Lista de publicaciones de lebest

He publicado nuevos practicas de 3º Resistencia de Materiales: Practica02T11.pdf

4 páginas

apuntes

-

Apuntes

He publicado nuevos apuntes de 3º Ciencia e Ingeniería de Materiales: Apuntes

Tratamientos-termicos.pdf
Termofluencia.pdf
Mecanica-de-la-fractura.pdf
Fatiga-de-materiales.pdf
Diagrama-Fe-C-y-microestructuras.pdf
Aceros-y-fundiciones.pdf

apuntes

-

Apuntes

He publicado nuevos apuntes de 2º Sistemas Electrónicos: Apuntes

Tema-1.pdf
Tema-2.pdf
Apunts-TEMA-1-STI.pdf
Tema-3.pdf

apuntes

-

Apuntes

He publicado nuevos apuntes de 2º Empresa: Apuntes

Analisis-de-inversiones-y-estados-financieros-EMPRESA.pdf
Apunts-Curs-EMPRESA.pdf
Model-de-negoci-EMPRESA.pdf
Plan-economico-financiero-EMPRESA.pdf
Proposta-de-valor-i-PMV-EMPRESA.pdf

He publicado nuevos trabajos de 2º Elasticidad: Proyecto-elasticidad.pdf

11 páginas

apuntes

-

Apuntes

He publicado nuevos apuntes de 2º Elasticidad: Apuntes

Tema-1.pdf
Tema-2-Cinematica.pdf
Tema-3-Tensiones.pdf
Tema-4-Ecuaciones-de-consevacion-y-balance.pdf

apuntes

-

Apuntes

He publicado nuevos apuntes de 2º Dinámica: Apuntes

Tema-1-y-Tema-2.pdf
Tema-1.pdf
Tema-3.pdf
Tema-4.pdf
Tema-6.pdf

practicas

-

Práctiques

He publicado nuevos practicas de 2º Mecánica de Fluidos: Práctiques

Practica-2-Hidroestatica.pdf
Practica-3-Mesuradors-de-cabal-i-velocitat.pdf
Practica-4-Fenomens-fluids.pdf
Practica-5-Perdues-per-fregament-bomba-i-installacio.pdf

apuntes

-

Apuntes

He publicado nuevos apuntes de 2º Control Industrial y Automatización: Apuntes

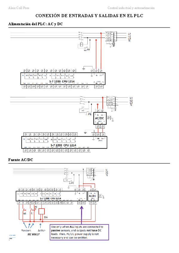
CONEXION-DE-ENTRADAS-Y-SALIDAS-EN-EL-PLC.pdf
GRAFCET.pdf
PLC-Fundamentos-y-programacion.pdf
Sensores-y-actuadores.pdf
VARIADORES-DE-FRECUENCIA.pdf

He publicado nuevos apuntes de 2º Control Industrial y Automatización: Bloque-Automatizacion.pdf

25 páginas

He publicado nuevos apuntes de 1º Física II: Fundamentos de Electromagnetismo: Tema-3.pdf

4 páginas

He publicado nuevos apuntes de 1º Física II: Fundamentos de Electromagnetismo: Tema-2-problemes.pdf

4 páginas

He publicado nuevos apuntes de 1º Física II: Fundamentos de Electromagnetismo: Tema-2-apunts.pdf

4 páginas

He publicado nuevos apuntes de 1º Física II: Fundamentos de Electromagnetismo: TEMA-1-Camp-electric-teoria.pdf

4 páginas