@mariiacano

74 Publicaciones

2.79k Interacciones

5 Seguidores

0 Siguiendo

Lista de publicaciones de mariiacano

He publicado nuevos apuntes de 5º Restauración arquitectónica: Esquema-General-Autores-1-parcial.pdf

1 página

He publicado nuevos apuntes de 4º Construcción 2: Ejercicios-Tipo-Bloque-Practico-2-BP2.pdf

2 páginas

He publicado nuevos apuntes de 3º Construcción 1: Apuntes-Muros.pdf

2 páginas

He publicado nuevos apuntes de 4º Construcción 2: Ejercicios-Examen-Resueltos.pdf

11 páginas

He publicado nuevos apuntes de 4º Construcción 2: Resumen-Bueno-1-Nivelacion-Ct2.pdf

8 páginas

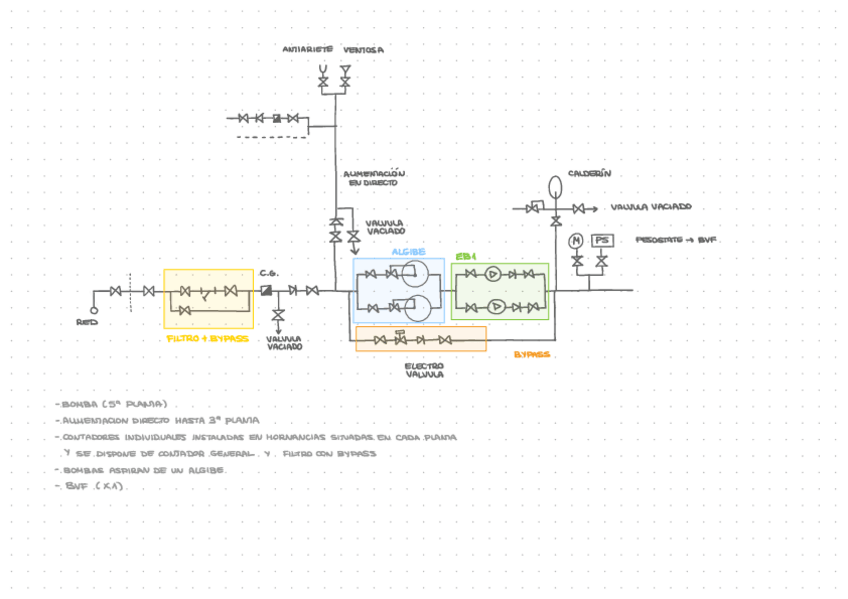
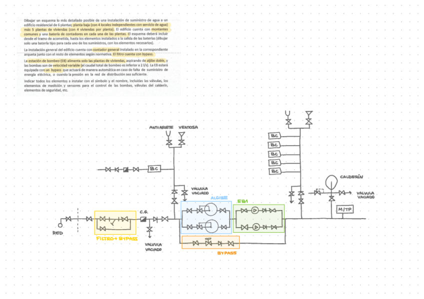
He publicado nuevos apuntes de 4º Instalaciones hidráulicas: Ejercicios-Examen-Dibujos-circuitos-y-diagramas.pdf

5 páginas

He publicado nuevos apuntes de 3º Física para el acondicionamiento ambiental: Como-Hacer-Ejercicios-Termica.pdf

1 página

He publicado nuevos apuntes de 3º Estructuras 1: Ejercicio-Pandeo-23-24-Resuelto.pdf

1 página

He publicado nuevos apuntes de 3º Estructuras 1: Pandeo-2UPN.pdf

1 página

He publicado nuevos apuntes de 3º Estructuras 1: Modulo-Elastico-Plastico.pdf

1 página

He publicado nuevos apuntes de 3º Estructuras 1: Tarea-Act-03.pdf

1 página

He publicado nuevos apuntes de 3º Construcción 1: Todas-las-Medidas-que-necesitas-para-las-Practicas.pdf

7 páginas

He publicado nuevos apuntes de 3º Construcción 1: RESUMEN-BASICO-HORMIGON.pdf

4 páginas

He publicado nuevos apuntes de 3º Construcción 1: Cubiertas-Dibujos.pdf

2 páginas

He publicado nuevos apuntes de 3º Estructuras 1: Ejercicio-Vigas-4-resuelto.pdf

2 páginas

He publicado nuevos apuntes de 3º Construcción 1: Teoria-practica-6.pdf

1 página

He publicado nuevos apuntes de 3º Física para el acondicionamiento ambiental: Acustica-TODAS-las-Formulas.pdf

1 página

He publicado nuevos practicas de 3º Física para el acondicionamiento ambiental: Practica-2.pdf

1 página

He publicado nuevos apuntes de 3º Física para el acondicionamiento ambiental: Problema-Resuelto-1.pdf

3 páginas

He publicado nuevos apuntes de 3º Física para el acondicionamiento ambiental: Apuntes-Absorcion--Ejercicios.pdf

14 páginas