@user_5124108

47 Publicaciones

674 Interacciones

0 Seguidores

2 Siguiendo

Lista de publicaciones de user_5124108

examenes

-

2º parcial Todos los exámenes reluetos de años pasados

2º parcial Todos los exámenes reluetos de años pasados, los enunciados para imprimir están en mi otra carpeta

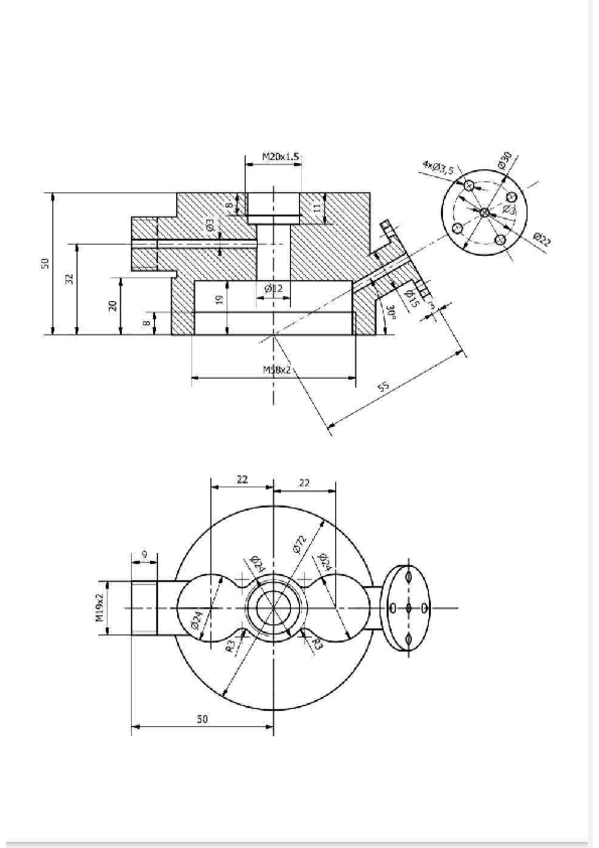
2016-2-junio-1.pdf
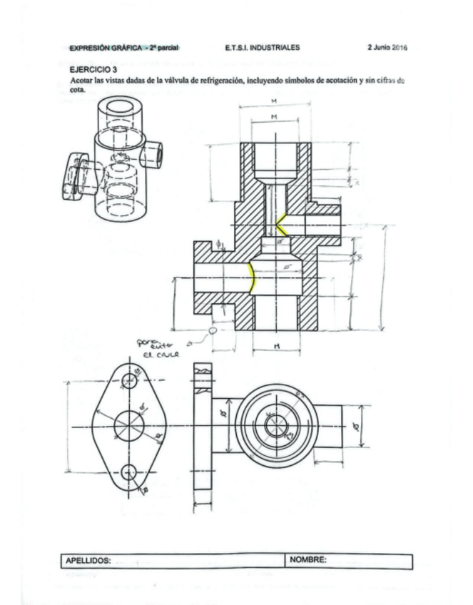
2016-2-junio-3.pdf
2016-16-enero-2.pdf
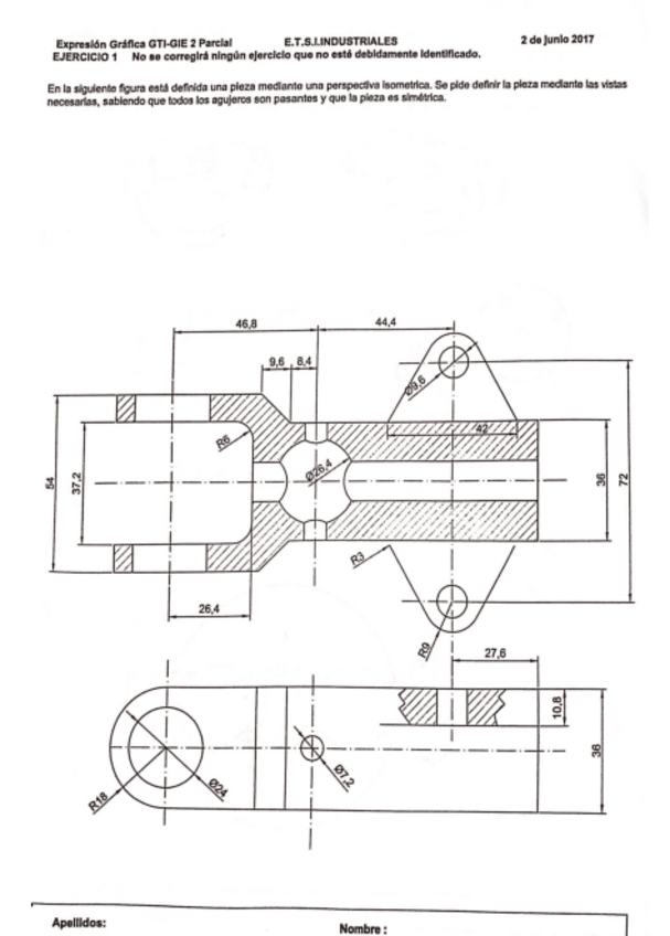
2017-2-junio-1.pdf
2017-2-junio-1.pdf
2017-2-junio-2.pdf

examenes

-

2º parcial Todos los enunciados de exámenes años pasados

Todos los enunciados de examenes del segundo parcial de años pasados para imprimir, en mi otra carpeta están todas las resoluciones

2016-11-enero-1-y-2.pdf
2017-2-junio-1-y-2.pdf
2017-16-junio-2.pdf
2017-19-diciembre-1-y-2.pdf
2017-27-enero-1.pdf
2021-10-junio-2.pdf

Chuleta para imprimir a doble cara y en blanco y negro para intercalar en el formulario, con definiciones, formulas y graficos de preguntas de años pasados

2 páginas

test

-

Todos los tests 2º parcial EG

Todos los tests con nombre por año del 2º parcial de Expresión Gráfica (Dibujo Téctico)

2015-2-junio.pdf
2015-11-enero.pdf
2015-16-junio.pdf
2015-26-enero.pdf
2016-13-enero.pdf
2017-2-junio.pdf