@Xpv907

235 Publicaciones

6.58k Interacciones

5 Seguidores

1 Siguiendo

Lista de publicaciones de Xpv907

examenes

-

TAREAS_MOTORES

He publicado nuevos examenes de 3º Motores Térmicos: TAREAS_MOTORES

Tarea2.pdf
TAREACALCULOSXAVIERPRIMO.pdf

He publicado nuevos apuntes de 3º Estructuras y Construcciones Industriales I: ESQUEMA-ECI.pdf

2 páginas

He publicado nuevos apuntes de 3º Combustión: TAREA4.pdf

2 páginas

He publicado nuevos apuntes de 3º Economía de Empresa: EMPRESA-ESQUEMA-TODOS-LOS-TEMAS.pdf

6 páginas

examenes

-

EXAMEN PRÁCTICAS

He correguido un pequeño fallo que afectaba a la percepción neta del préstamo de la alternativa 1. No afectaba a los resultados que nos pedían en el enunciado

P6.xlsx
Practica-6336.pdf

practicas

-

PRÁCTICA_5

He publicado nuevos practicas de 3º Economía de Empresa: PRÁCTICA_5

Practica-5Enunciat.pdf
P5PRIMOVALEROXAVIER.xlsx

practicas

-

PRÁCTICA_4

He publicado nuevos practicas de 3º Economía de Empresa: PRÁCTICA_4

P4PRIMOVALEROXAVIER.xlsx
Practica-4-PrestamosTAE1.pdf

practicas

-

P3

He publicado nuevos practicas de 3º Economía de Empresa: P3

Practica-3-PrestamosEnunciat.pdf
P3PRIMOVALEROXAVIER.xlsx

practicas

-

P2

He publicado nuevos practicas de 3º Economía de Empresa: P2

Practica-2Enunciat.pdf
P2PRIMOVALEROXAVIER.xlsx

practicas

-

P1

He publicado nuevos practicas de 3º Economía de Empresa: P1

P1PRIMOVALEROXAVIER.xlsx
Practica1Amortizacion-de-activos.pdf

He publicado nuevos apuntes de 3º Motores Térmicos: T3-Tecnologia-de-TGbueno.pdf

29 páginas

He publicado nuevos apuntes de 3º Motores Térmicos: T1-ESTUDIO-DE-ESCALONAMIENTOSBUENO.pdf

18 páginas

He publicado nuevos practicas de 3º Sistemas de Producción Industrial: PRACTICA1.pdf

2 páginas

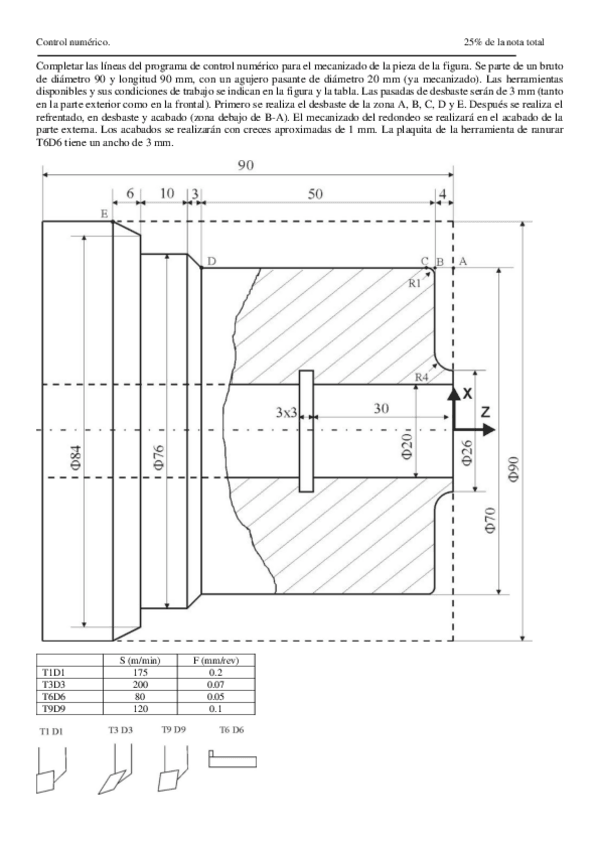
He publicado nuevos examenes de 3º Sistemas de Producción Industrial: SPIcnc21-22sol.pdf

2 páginas

He publicado nuevos examenes de 3º Sistemas de Producción Industrial: test2021SPIB.pdf

2 páginas

apuntes

-

EJERCICIOS

He publicado nuevos apuntes de 3º Elasticidad y Resistencia de Materiales: EJERCICIOS

EJERCICIOSSolicitaciones.pdf
EJERCICIOSENERGIA.pdf
FORMULAS.pdf
OTROS-EJERCICIOS-DE-ENERGIA.pdf

apuntes

-

EJERICICIOS Y APUNTES ERM I

He publicado nuevos apuntes de 3º Elasticidad y Resistencia de Materiales Ii (Iti. 1,3,4): EJERICICIOS Y APUNTES ERM I

FORMULAS.pdf
OTROS-EJERCICIOS-DE-ENERGIA.pdf
EJERCICIOSENERGIA.pdf
EJERCICIOSSolicitaciones.pdf

practicas

-

PRACTICAS

He publicado nuevos practicas de 1º Apuntes Variados: PRACTICAS

FICHA-SESION-3.pdf
FICHA-PRACT-1-1.pdf

apuntes

-

VOCABULARY

He publicado nuevos apuntes de 1º Apuntes Variados: VOCABULARY

VOCABULARY-UNIT-6.pdf
VOCABULARY-UNIT-5.docx
VOCABULARY-UNIT-7.pdf
VOCABULARY-UNIT-4-1.pdf
VOCABULARY-UNIT-5.pdf

practicas

-

PRACTICAS ERM I

He publicado nuevos practicas de 3º Elasticidad y Resistencia de Materiales Ii (Iti. 1,3,4): PRACTICAS ERM I

PR6XAVIERPRIMOVALERO.pdf
PRFINALXAVIERPRIMO.pdf
PRACTICA3XAVIERPRIMOVALERO.pdf
PRACTICA2XAVIERPRIMOVALERO.pdf
PR5XAVIERPRIMOVALERO.pdf
PR4PRIMOVALEROXAVIER.pdf