AnĂłnimo
Examenes-2.pdf
ExĂĄmenes - examenes-fotos.pdf
pdf
15 pĂĄginas
110
0
Apuntes - PROYECTOS.pdf
10 pĂĄginas
62
ExĂĄmenes - EXAMEN-FINAL-PROYECTOS.pdf
2 pĂĄginas
107
Apuntes - LIBRO-DE-PROYECTO-CASO-G.pdf
77 pĂĄginas
27
Apuntes - Calculo-Flujo-de-Fondos.xlsx
xlsx
7
Apuntes - Entregable-de-presentacion-CASO-G.pptx
pptx
9
Apuntes - Almacenamiento-amina-pobre.pdf
1 pĂĄgina
4
Apuntes - COLUMNA-Y-ACUMULADOR-DEFINITIVO.pdf
3
Apuntes - BOMBA-DEFINITIVO.pdf
5
Apuntes - Hysys-Optimizado.hsc
hsc
Apuntes - Bomba-Amina-Pobre.pdf
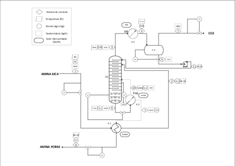
Apuntes - PFD-DEFINITIVO.pdf
ExĂĄmenes - Examenes-2.pdf
0 pĂĄginas
13
ExĂĄmenes - Examenes.pdf
16