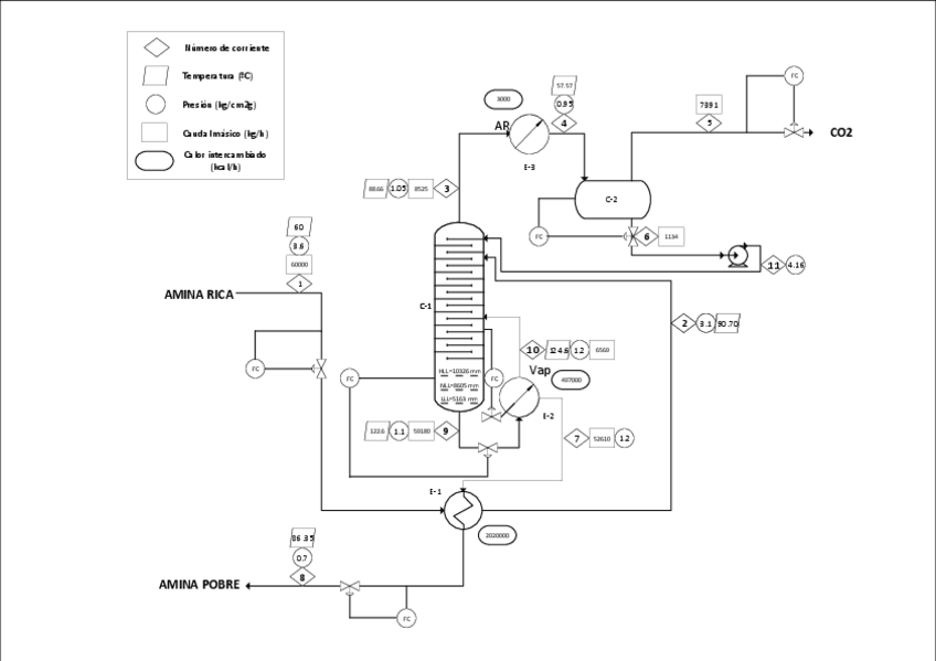
PFD-DEFINITIVO.pdf

raulete1996

Proyectos

9 archivos·

Almacenamiento-amina-pobre.pdf

1 página

Bomba-Amina-Pobre.pdf

1 página

COLUMNA-Y-ACUMULADOR-DEFINITIVO.pdf

2 páginas

Calculo-Flujo-de-Fondos.xlsx

BOMBA-DEFINITIVO.pdf

1 página

Hysys-Optimizado.hsc

PFD-DEFINITIVO.pdf

1 página

LIBRO-DE-PROYECTO-CASO-G.pdf

77 páginas

Entregable-de-presentacion-CASO-G.pptx

content_copy

Archivos recomendados